本例介绍的工业用X射线探伤机延时控制开关,能延时30s起动曝光系统。这样,工作人员可利用这30s时间快速离开X射线探伤机,以减轻X射线的吸收剂量,防止X射线损害身体健康。
电路工作原理
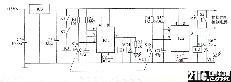
该工业用X射线探伤机延时控制开关电路由稳压滤波电路、延时控制电路A、延时控制电路B和控制执行电路组成,如图所示。

稳压滤波电路由电容器C5、C6和三端稳压集成电路IC3组成。
延时控制电路A由电阻器R1~R3、电容器C1、C2、时基集成电路IC1、二极管VD1、继电器K1、发光二极管VL1和控制按钮Sla组成。
延时控制电路B由电阻器R4~R6、电容器C3、C4、时基集成电路IC2、二极管VD2、继电器K2、发光二极管VL2和控制按钮Slb组成。
控制执行电路由继电器K3和K1的常闭触头、K2的常开触头、高压按钮S2组成。
IC1和IC2分别与外接阻容元件组成两个单稳态触发器。平时(在未按S1时),IC1和IC2 的3脚均输出低电平。按一下S1时,Sla和Slb接通,使IC1和IC2的2脚变为低电平,单稳态触发器翻转而进入暂态,3脚输出高电平,继电器K1和 K2均通电吸合,VL1和VL1均点亮,K1的常闭触头断开,K2的常开触头接通;与此同时,C1和C3分别通过R2和R5充电。当C1两端电压充至 8V(约30s)时,IC1内电路翻转,由暂态恢复为稳态,3脚变为低电平,VLI熄灭,K1释放,其常闭触头接通,K3通电吸合,K3的常开触头接通(相当于按下高压按钮S2),曝光电路通电工作。再经8s的延时,IC2也翻转为稳态,其3脚变为低电平,使VL2熄灭,K2和K3释放,一次曝光结束。
元器件选择
R1~R6选用1/4W金属膜电阻器或碳膜电阻器。
C1、C3和C5均选用耐压值为16V的铝电解电容器;C2和C4选用独石电容器或涤纶电容器。
VD1和VD2均选用1N4007型硅整流二极管。
VL1和VL2均选用Φ5mm的发光二极管。
IC1和IC2均选用NE555型时基集成电路。
K1~K3选用4098或JZC-23F、JRX-13F型12Y直流继电器。
S1选用小型揿压式按钮:52仍使用原探伤机面板上的高压开关。