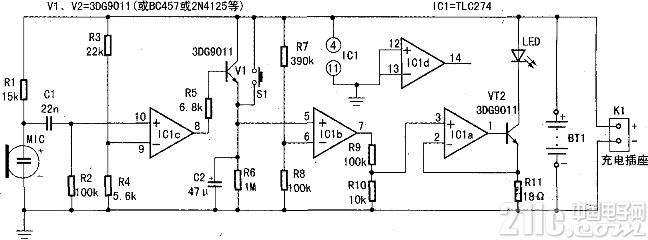
本装置的电路如图所示。主要由单电源低功耗运算放大器集成电路IC1、二只低功率晶体管、麦克风和高亮度发光二极管所组成。当麦克风MIC接收到一定强度外界声响(包括各种噪声),产生相应强度的输出电压,加到比较器IC1c,当此电压超过比较器门限值,其输出为高电位,使V1导通,它输出电压加到比较器 IC1b,同样地,此电压器高于IC1b的门限值,IC1b输出高电位去激励IC1a和V2组成的功率放大器,从而驱动LED发光。预设的延时长短。则由 C2和R6,以及R7、R8组成的充放电电路的时间常数决定。

在这种照明装置上,也可以加上一只按钮开关使LED点亮,并在预定的时间继续发光。电路供电也很方便,用4节镍氢(MiMH)供电。整个装置间歇性地工作,电池可使用2个月,整个电路处在待机状态,消耗电流400μA,在LED点亮时消耗电流24mA。
从电路结构看,麦克风MIC通过导线连接输入端与地线之间。并通过R1接到电源正极,信号交流成分通过电容C1耦合到运放IC同相引脚。麦克风灵敏度的调节在很大程度上取决于R1值大小。建议R1值取15kΩ,对于所用麦克风品牌型号不同,R1值也应作相应改变,以便达到所期望的灵敏度。在最大灵敏度调节时,在房门打开,空气气流对麦克风振动膜的压力作用下,就应该使LED受到触发而点亮。IC1采用TLC274,其引脚图见图。
