0
问答首页 最新问题 热门问题 等待回答标签广场
我要提问

稳压电路电源

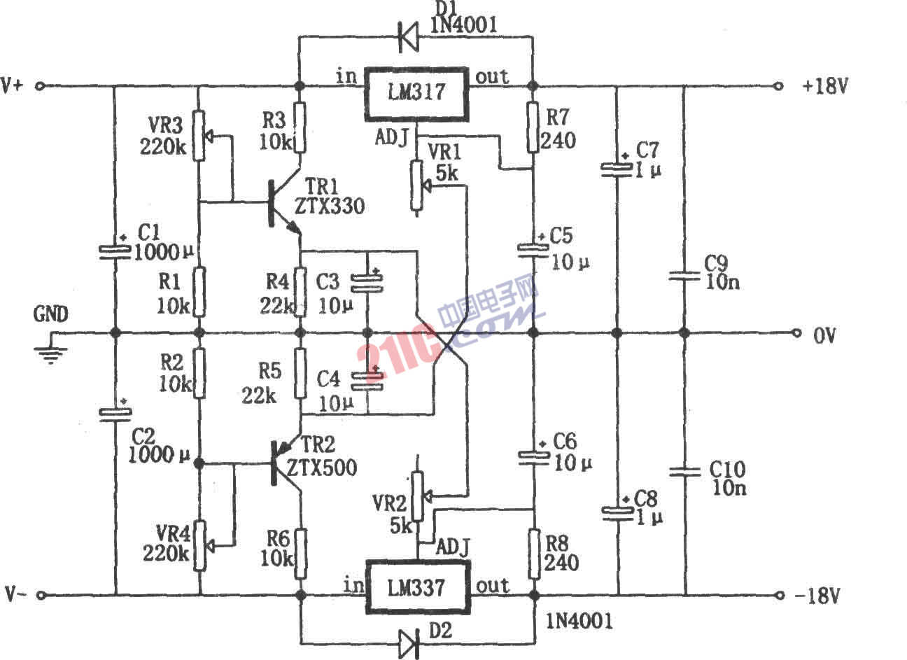
LM317构成的0~±30V、1.5A电源

LM317构成的0~±30V、1.5A电源
提问者:wangbuhao 地点:- 浏览次数:3932 提问时间:08-09 10:06
我有更好的答案
提 交
1条回答
htxk 08-13 21:53

如图所示为0~±30V、1.5A电源。从图中可以看出本电源的特点是其正负输出电压最小可以调到0V。LM317(LM337)正常情况下只能调到1.25(-1.25)V,但在可调三端的调整端加上了适量的反偏,使输出电压可以调到零。这一点是通过TH2的发射极的负电压接在VR1上,将TH1发射极的正电压接在VR2上而实现的。

 

 

撰写答案
提 交
1 / 3
1 / 3
相关稳压电路
用高压线性稳压器HIP5600构成的小功率无变压器稳压电源电路图
晶闸管式过电流保护电路之一a
晶体管稳流电源电路之二
0-30V连续可调稳压电源
无触点可逆换挡稳压电源
相关电源
TDA16846组成的彩电开关电源原理图
联想LX-PL4C2型彩色显示器开关电源电路
长虹CN-9机心彩电开关电源电路
索尼KV2184彩电开关电源电路
王牌TCL-3460D彩电开关电源电路