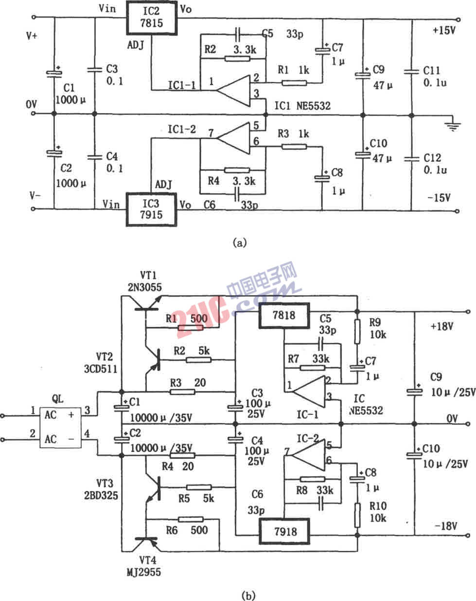
有源伺服电源是一种性能优于蓄电池的电源,特别适合于音响设备。其高频猝发信号适应性和自身噪声指标特别好。图(a)和图(b)为两种实用电路。前者适用于音响设备的前置放大电路。后者适用于功率放大电路。
电路工作原理是:普通的三端稳压器IC与高速运放搭配起来,由运放构成直流负反馈的交流放大器,对三端稳压器输出电压的动态变化信号进行放大,然后控制三端稳压器的输出,从而使三端稳压器的高频特性得到大幅度的提高,改善电源的性能。这种电源有二个特殊要求:(1)运放必须是高速运算放大器。(2)三端稳压器的输入电压必须高于输出端5V以上,但不可超过三端稳压的极限值。
