0
问答首页 最新问题 热门问题 等待回答标签广场
我要提问

稳压电路电源

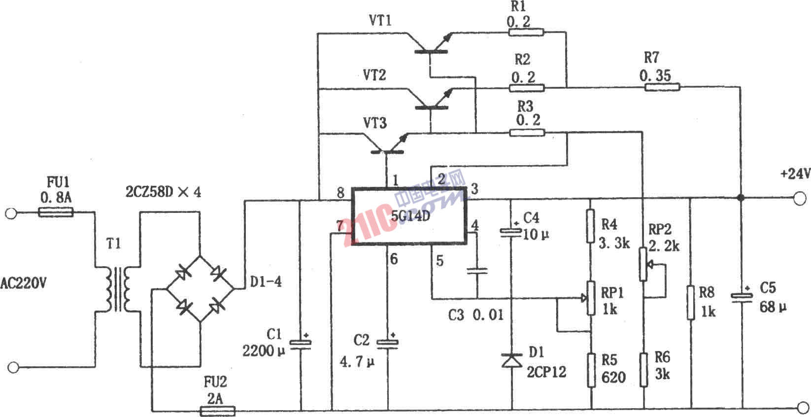
5G14D构成的+24V、1.9A稳压电源

5G14D构成的+24V、1.9A稳压电源
提问者:dxnsk 地点:- 浏览次数:8622 提问时间:05-29 04:01
我有更好的答案
提 交
1条回答
lhly23 06-02 05:19

如图所示为一种+24V、1.9A电源电路。它以国产的集成稳压器5G14D为核心,外接三只功率晶体管,使电源的输出电流由5G14D本身的额定电流24mA,提高到1.9A。RP1用来微调输出电压,RP2用来调整过载电流保护点。本电源的主要技术特点:(1)输入电压:220V±22V,50Hz。(2)输出电压:24V,误差≤±2%。(3)最大输出电流:1.9A。(4)纹波电压:≤24mV。(5)过载保护点:2.8A。

 

 

撰写答案
提 交
1 / 3
1 / 3
相关稳压电路
用高压线性稳压器HIP5600构成的小功率无变压器稳压电源电路图
晶闸管式过电流保护电路之一a
晶体管稳流电源电路之二
0-30V连续可调稳压电源
无触点可逆换挡稳压电源
相关电源
TDA16846组成的彩电开关电源原理图
联想LX-PL4C2型彩色显示器开关电源电路
长虹CN-9机心彩电开关电源电路
索尼KV2184彩电开关电源电路
王牌TCL-3460D彩电开关电源电路