0
问答首页 最新问题 热门问题 等待回答标签广场
我要提问

开关电源电路稳压电路电源

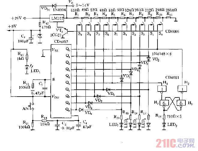
新颖实用稳压电源电路,可调稳压电路图

新颖实用稳压电源电路,可调稳压电路图
提问者:深圳市实中创科技有限公司 地点:- 浏览次数:5187 提问时间:02-14 10:45
我有更好的答案
提 交
1条回答
镁酷科技 02-20 02:39

新颖实用稳压电源电路,可调稳压电路图.gif

撰写答案
提 交
1 / 3
1 / 3
相关开关电源电路
TEA1753T开关电源应用电路
TH-1024S集线器开关电源电路图
24V开关电源原理电路图
谁有开关电源电路原理图
一种UC3842设计的PWM开关电源电路
相关稳压电路
用高压线性稳压器HIP5600构成的小功率无变压器稳压电源电路图
晶闸管式过电流保护电路之一a
晶体管稳流电源电路之二
0-30V连续可调稳压电源
无触点可逆换挡稳压电源
相关电源
TDA16846组成的彩电开关电源原理图
联想LX-PL4C2型彩色显示器开关电源电路
长虹CN-9机心彩电开关电源电路
索尼KV2184彩电开关电源电路
王牌TCL-3460D彩电开关电源电路