0
问答首页 最新问题 热门问题 等待回答标签广场
我要提问

稳压电路滤波电路

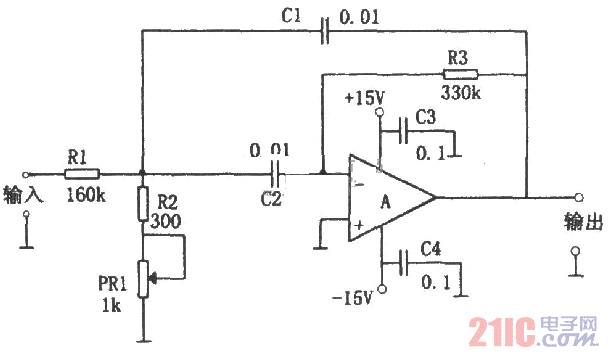
单运放组成的单峰特性滤波电路

单运放组成的单峰特性滤波电路
提问者:imchenjin 地点:- 浏览次数:10130 提问时间:01-30 08:17
我有更好的答案
提 交
1条回答
jjdwe 02-04 05:32

下图所示是一用单只运放组成的单峰特性滤波电路。该电路用一只运放及少许元件构成滤波器,可以获得与LC元件构成的具有同样特性的滤波器电路,在不改变电路增益的情况下,可方便调整谐振频率。本电路用电位器PR1来调整谐振频率。PR1值从最小调到最大时,谐振频率调整范围为



单运放组成的单峰特性滤波电路.gif

撰写答案
提 交
1 / 3
1 / 3
相关稳压电路
用高压线性稳压器HIP5600构成的小功率无变压器稳压电源电路图
晶闸管式过电流保护电路之一a
晶体管稳流电源电路之二
0-30V连续可调稳压电源
无触点可逆换挡稳压电源
相关滤波电路
音频滤波电路
直热式整流电子管全波整流及滤波电路
桥式整流电容滤波电路
数字滤波电路图
比较式峰值检测原理图