0
问答首页 最新问题 热门问题 等待回答标签广场
我要提问

稳压电路电源

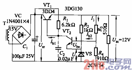
带放大环节的晶体管稳压电源的基本电路

带放大环节的晶体管稳压电源的基本电路
提问者:mclks 地点:- 浏览次数:5924 提问时间:06-13 01:53
我有更好的答案
提 交
1条回答
广州三晶电气 06-19 23:28

21.带放大环节的晶体管稳压电源的基本电路.gif


图中,调整管VTi相当于一个射极输出器。该稳压电源的稳压

过程简化表示    同样的道理,当U。。因某种原因而升高时,通过反馈作用叉会使Us。下降,使输出电压

几乎保持不变。

    调整电阻R3、R4,即改变分压比,就可以调节输出电压U。。的大小。

撰写答案
提 交
1 / 3
1 / 3
相关稳压电路
用高压线性稳压器HIP5600构成的小功率无变压器稳压电源电路图
晶闸管式过电流保护电路之一a
晶体管稳流电源电路之二
0-30V连续可调稳压电源
无触点可逆换挡稳压电源
相关电源
TDA16846组成的彩电开关电源原理图
联想LX-PL4C2型彩色显示器开关电源电路
长虹CN-9机心彩电开关电源电路
索尼KV2184彩电开关电源电路
王牌TCL-3460D彩电开关电源电路