0
问答首页 最新问题 热门问题 等待回答标签广场
我要提问

稳压电路电源

正负对称直流稳压电源电路

正负对称直流稳压电源电路
提问者:60user162 地点:- 浏览次数:2129 提问时间:09-03 22:15
我有更好的答案
提 交
1条回答
Purchase88 09-06 09:35

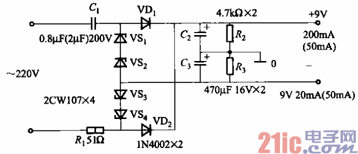
18.正负对称直流稳压电源电路.gif


它能提供正负

对称的两组直流电压。

    为使输出电压对称,4只稳压管采用

型号相同、稳压值尽量一致的,且电容

Cz、c3的容量要相同。

撰写答案
提 交
1 / 3
1 / 3
相关稳压电路
用高压线性稳压器HIP5600构成的小功率无变压器稳压电源电路图
晶闸管式过电流保护电路之一a
晶体管稳流电源电路之二
0-30V连续可调稳压电源
无触点可逆换挡稳压电源
相关电源
TDA16846组成的彩电开关电源原理图
联想LX-PL4C2型彩色显示器开关电源电路
长虹CN-9机心彩电开关电源电路
索尼KV2184彩电开关电源电路
王牌TCL-3460D彩电开关电源电路