0
问答首页 最新问题 热门问题 等待回答标签广场
我要提问

稳压电路电源

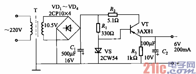
单管串联型晶体管稳压电源电路之二

单管串联型晶体管稳压电源电路之二
提问者:赵芬13631537724 地点:- 浏览次数:6234 提问时间:04-13 19:03
我有更好的答案
提 交
1条回答
dfgdaf 04-21 16:30

20.单管串联型晶体管稳压电源电路之二.gif


它采用PNP型

三极管。它是晶体管收音机常用的稳压电源,输出电压为3—15V,电流为100~500mA。

输出电压从空载到满载允许有5%~10%的波动,电路都比较简单。根据要求的输出电压、

电流的不同,选择元件参数。

撰写答案
提 交
1 / 3
1 / 3
相关稳压电路
用高压线性稳压器HIP5600构成的小功率无变压器稳压电源电路图
晶闸管式过电流保护电路之一a
晶体管稳流电源电路之二
0-30V连续可调稳压电源
无触点可逆换挡稳压电源
相关电源
TDA16846组成的彩电开关电源原理图
联想LX-PL4C2型彩色显示器开关电源电路
长虹CN-9机心彩电开关电源电路
索尼KV2184彩电开关电源电路
王牌TCL-3460D彩电开关电源电路