0
问答首页 最新问题 热门问题 等待回答标签广场
我要提问

稳压电路电源

24V、500mA稳压电源电路

24V、500mA稳压电源电路
提问者:li_1202 地点:- 浏览次数:9792 提问时间:09-25 06:07
我有更好的答案
提 交
1条回答
60user67 10-01 12:53

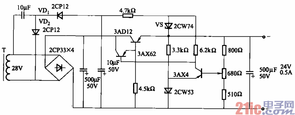
28.24V、500mA稳压电源电路.gif


具有辅助电源的串联型稳压电源

电路如图14-28~图14—30所示。图

14 -28和图14-29中辅助电源是由二

极管VDi、VD2倍压整流后用硅稳压

管vs稳压而得。图14-30还采用差

动放大环节(由三极管VT3、VT4

组成)。

撰写答案
提 交
1 / 3
1 / 3
相关稳压电路
用高压线性稳压器HIP5600构成的小功率无变压器稳压电源电路图
晶闸管式过电流保护电路之一a
晶体管稳流电源电路之二
0-30V连续可调稳压电源
无触点可逆换挡稳压电源
相关电源
TDA16846组成的彩电开关电源原理图
联想LX-PL4C2型彩色显示器开关电源电路
长虹CN-9机心彩电开关电源电路
索尼KV2184彩电开关电源电路
王牌TCL-3460D彩电开关电源电路