0
问答首页 最新问题 热门问题 等待回答标签广场
我要提问

稳压电路电源

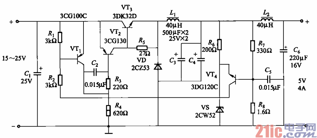
开关式稳压电源电路之二

开关式稳压电源电路之二
提问者:hzp_bbs 地点:- 浏览次数:5879 提问时间:09-28 15:02
我有更好的答案
提 交
1条回答
tuiming817 10-01 04:29

44.开关式稳压电源电路之二.gif


该电源在输入电压为15~25V时,输出电压为5v,电流4A,纹

波电压≤50mV。

撰写答案
提 交
1 / 3
1 / 3
相关稳压电路
用高压线性稳压器HIP5600构成的小功率无变压器稳压电源电路图
晶闸管式过电流保护电路之一a
晶体管稳流电源电路之二
0-30V连续可调稳压电源
无触点可逆换挡稳压电源
相关电源
TDA16846组成的彩电开关电源原理图
联想LX-PL4C2型彩色显示器开关电源电路
长虹CN-9机心彩电开关电源电路
索尼KV2184彩电开关电源电路
王牌TCL-3460D彩电开关电源电路