0
问答首页 最新问题 热门问题 等待回答标签广场
我要提问

稳压电路运算放大电路

运算放大器稳压电源电路之五

运算放大器稳压电源电路之五
提问者:testd28 地点:- 浏览次数:6706 提问时间:05-07 13:40
我有更好的答案
提 交
1条回答
jiajia627 05-12 07:35

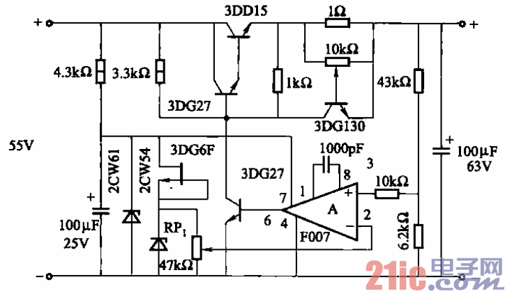
50.运算放大器稳压电源电路之五.gif


其输出电压o~50V连续可调。

    调节电位器RPi,可使基准电压调至Ov,此时运算放大器A的同相输入端也调整至

Ov.因此稳压电源输出也为ov。

撰写答案
提 交
1 / 3
1 / 3
相关稳压电路
用高压线性稳压器HIP5600构成的小功率无变压器稳压电源电路图
晶闸管式过电流保护电路之一a
晶体管稳流电源电路之二
0-30V连续可调稳压电源
无触点可逆换挡稳压电源
相关运算放大电路
低漂移运算放大器
宽带运算放大器
单电源运算放大器电路图
使用L161的100倍增益运算放大器电路图
零漂移运算放大器