0
问答首页 最新问题 热门问题 等待回答标签广场
我要提问

稳压电路运算放大电路

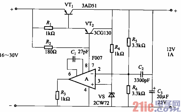
运算放大器稳压电源电路之二

运算放大器稳压电源电路之二
提问者:vmuuertw 地点:- 浏览次数:975 提问时间:11-26 07:09
我有更好的答案
提 交
1条回答
NoKen 12-02 15:50

47.运算放大器稳压电源电路之二.gif


该电源所用元件不多,但具有良好的使用性能。当输入与输出电

故。该电源在输入电压为16—30V时,输出电压为12V,电流1A,内阻<0.0010,电压稳

定度为0. 05%,纹波电压峰值<25mV。

    选择适当的分压电阻民、风或相应选择稳压管vs,稳压电源的输出电压能在大范围内变化。

   

撰写答案
提 交
1 / 3
1 / 3
相关稳压电路
用高压线性稳压器HIP5600构成的小功率无变压器稳压电源电路图
晶闸管式过电流保护电路之一a
晶体管稳流电源电路之二
0-30V连续可调稳压电源
无触点可逆换挡稳压电源
相关运算放大电路
低漂移运算放大器
宽带运算放大器
单电源运算放大器电路图
使用L161的100倍增益运算放大器电路图
零漂移运算放大器