0
问答首页 最新问题 热门问题 等待回答标签广场
我要提问

稳压电路电源

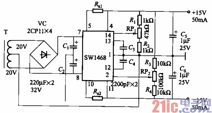
采用SW1468稳压块的双极性稳压电源电路之三

采用SW1468稳压块的双极性稳压电源电路之三
提问者:fuywyerwew 地点:- 浏览次数:7316 提问时间:02-17 05:52
我有更好的答案
提 交
1条回答
抹茶小婊砸 02-24 00:01

68.采用SW1468稳压块的双极性稳压电源电路之三.gif


其输出电压调节范围为士9—士20V。电位器RPi用于调节输出

电压.RPz用于调节正负输出电压的平衡。

撰写答案
提 交
1 / 3
1 / 3
相关稳压电路
用高压线性稳压器HIP5600构成的小功率无变压器稳压电源电路图
晶闸管式过电流保护电路之一a
晶体管稳流电源电路之二
0-30V连续可调稳压电源
无触点可逆换挡稳压电源
相关电源
TDA16846组成的彩电开关电源原理图
联想LX-PL4C2型彩色显示器开关电源电路
长虹CN-9机心彩电开关电源电路
索尼KV2184彩电开关电源电路
王牌TCL-3460D彩电开关电源电路