0
问答首页 最新问题 热门问题 等待回答标签广场
我要提问

稳压电路电源

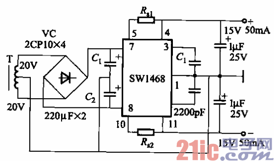
采用SW1468稳压块的双极性稳压电源电路之一

采用SW1468稳压块的双极性稳压电源电路之一
提问者:YY599566 地点:- 浏览次数:1907 提问时间:02-23 00:40
我有更好的答案
提 交
1条回答
恩智成科技 02-27 18:53

66.采用SW1468稳压块的双极性稳压电源电路之一.gif


其输出电压为±15V,电流50mA。图中,R。l和R。2为限流电阻,

其值可按R。一0. 6V/心计算,Ifz为负载电流(A)。

撰写答案
提 交
1 / 3
1 / 3
相关稳压电路
用高压线性稳压器HIP5600构成的小功率无变压器稳压电源电路图
晶闸管式过电流保护电路之一a
晶体管稳流电源电路之二
0-30V连续可调稳压电源
无触点可逆换挡稳压电源
相关电源
TDA16846组成的彩电开关电源原理图
联想LX-PL4C2型彩色显示器开关电源电路
长虹CN-9机心彩电开关电源电路
索尼KV2184彩电开关电源电路
王牌TCL-3460D彩电开关电源电路