0
问答首页 最新问题 热门问题 等待回答标签广场
我要提问

稳压电路电源

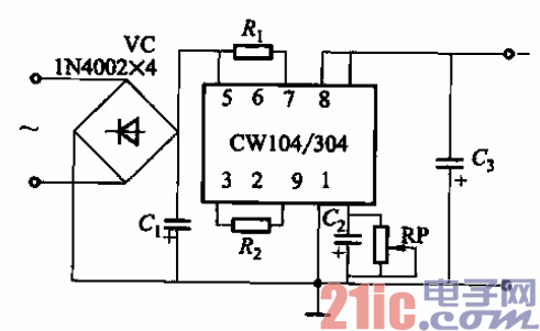
CW104-204-304型可调负输出稳压电源电路

CW104-204-304型可调负输出稳压电源电路
提问者:60user51 地点:- 浏览次数:9710 提问时间:01-14 03:46
我有更好的答案
提 交
1条回答
飞翔的贝壳 01-14 12:55

65.CW104-204-304型可调负输出稳压电源电路.gif


它采用CW104/204/304型十端可调负输出集成稳压器。其输出

电压调节范围为0—40V,电流为20mA。集成稳压器本身静态工作电流为3.5—5mA。

    图中,Ri为限流保护电阻;R2为恒流电阻;Cz、C3为滤波电容。调节电位器RP可改

变输出电压。

    如把图中负端接地,则正端即可得到正可调电压。

撰写答案
提 交
1 / 3
1 / 3
相关稳压电路
用高压线性稳压器HIP5600构成的小功率无变压器稳压电源电路图
晶闸管式过电流保护电路之一a
晶体管稳流电源电路之二
0-30V连续可调稳压电源
无触点可逆换挡稳压电源
相关电源
TDA16846组成的彩电开关电源原理图
联想LX-PL4C2型彩色显示器开关电源电路
长虹CN-9机心彩电开关电源电路
索尼KV2184彩电开关电源电路
王牌TCL-3460D彩电开关电源电路