0
问答首页 最新问题 热门问题 等待回答标签广场
我要提问

稳压电路电源

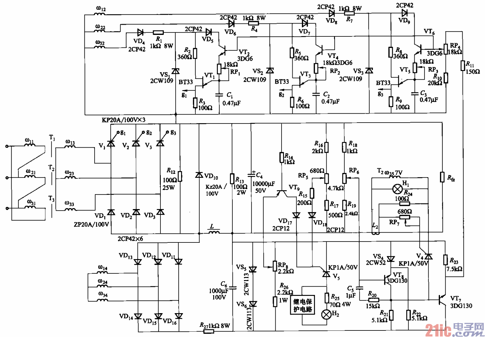
12V晶闸管可调式稳压电源电路

12V晶闸管可调式稳压电源电路
提问者:新星之火12138 地点:- 浏览次数:2421 提问时间:04-30 23:58
我有更好的答案
提 交
1条回答
LingMao 05-03 19:44

75.12V晶闸管可调式稳压电源电路.gif


该电源输出

电压为12V,可调范围±12%,输出电流0—20A,稳压精度≤3%(输入电压士10%),纹

波系数≤0.2%,具有过电压、欠压及过载和短路保护功能。

    为了防止工频电源来的各种干扰,本装置采用三相400Hz电源供电。主电路采用三相

半控桥式整流,能获得较好的纹波系数,同时叉可降低变压器的容量,触发电路也较简单。

采用电感电容复式滤波。

撰写答案
提 交
1 / 3
1 / 3
相关稳压电路
用高压线性稳压器HIP5600构成的小功率无变压器稳压电源电路图
晶闸管式过电流保护电路之一a
晶体管稳流电源电路之二
0-30V连续可调稳压电源
无触点可逆换挡稳压电源
相关电源
TDA16846组成的彩电开关电源原理图
联想LX-PL4C2型彩色显示器开关电源电路
长虹CN-9机心彩电开关电源电路
索尼KV2184彩电开关电源电路
王牌TCL-3460D彩电开关电源电路