0
问答首页 最新问题 热门问题 等待回答标签广场
我要提问

稳压电路电源

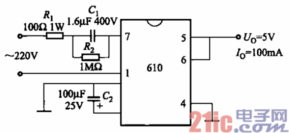
输出电压固定的MAX610稳压电源电路

输出电压固定的MAX610稳压电源电路
提问者:uuwerywrsd 地点:- 浏览次数:8919 提问时间:04-10 21:32
我有更好的答案
提 交
1条回答
zhi581 04-20 12:58

70.输出电压固定的MAX610稳压电源电路.gif


MAX610系列交流/直流电源变换器内部设有整流电路、稳压管及限流保护电路。由它

构成的直流稳压电源,稳压性能好。其内部结构和引脚排列如图

撰写答案
提 交
1 / 3
1 / 3
相关稳压电路
用高压线性稳压器HIP5600构成的小功率无变压器稳压电源电路图
晶闸管式过电流保护电路之一a
晶体管稳流电源电路之二
0-30V连续可调稳压电源
无触点可逆换挡稳压电源
相关电源
TDA16846组成的彩电开关电源原理图
联想LX-PL4C2型彩色显示器开关电源电路
长虹CN-9机心彩电开关电源电路
索尼KV2184彩电开关电源电路
王牌TCL-3460D彩电开关电源电路