0
问答首页 最新问题 热门问题 等待回答标签广场
我要提问

稳压电路电源

晶体管驱动的交流稳压电源电路

晶体管驱动的交流稳压电源电路
提问者:yanan101114 地点:- 浏览次数:2340 提问时间:10-01 02:10
我有更好的答案
提 交
1条回答
60user118 10-02 22:44

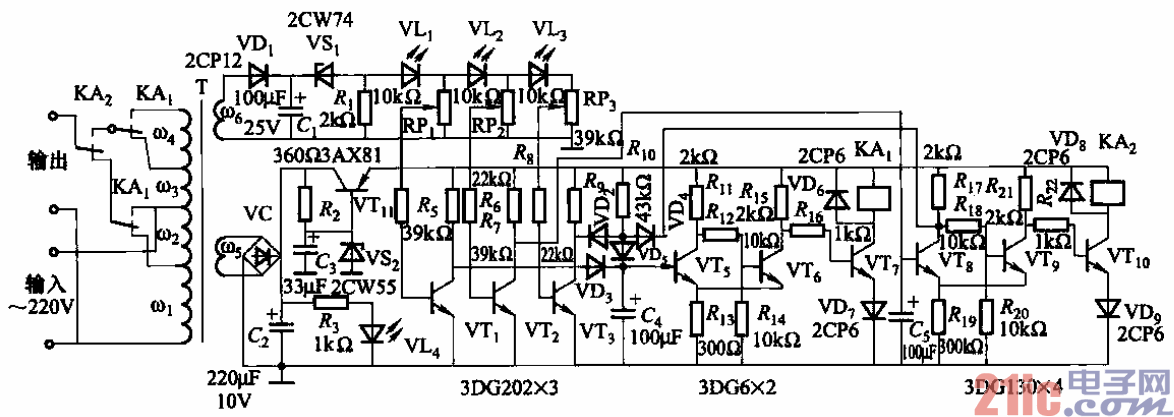
89.晶体管驱动的交流稳压电源电路.gif


用继电器换接自耦变压器抽头的方式调压,具有简单、经济、调压范围较宽等优点,

缺点是稳压性能较差,阶段调压,调整不当时易造成失控。

    电路如图所示。该电路在电源电压为170~250V范围变化时,输出电压维持在

220V士10V以内,稳压器容量为150V.A。

    电路中各元件的工作状态见表

撰写答案
提 交
1 / 3
1 / 3
相关稳压电路
用高压线性稳压器HIP5600构成的小功率无变压器稳压电源电路图
晶闸管式过电流保护电路之一a
晶体管稳流电源电路之二
0-30V连续可调稳压电源
无触点可逆换挡稳压电源
相关电源
TDA16846组成的彩电开关电源原理图
联想LX-PL4C2型彩色显示器开关电源电路
长虹CN-9机心彩电开关电源电路
索尼KV2184彩电开关电源电路
王牌TCL-3460D彩电开关电源电路