
伺服电机控制的自耦调压器式交流稳压器具有结构简单、灵敏度高、输出波形不失真、
调压范围宽等优点。
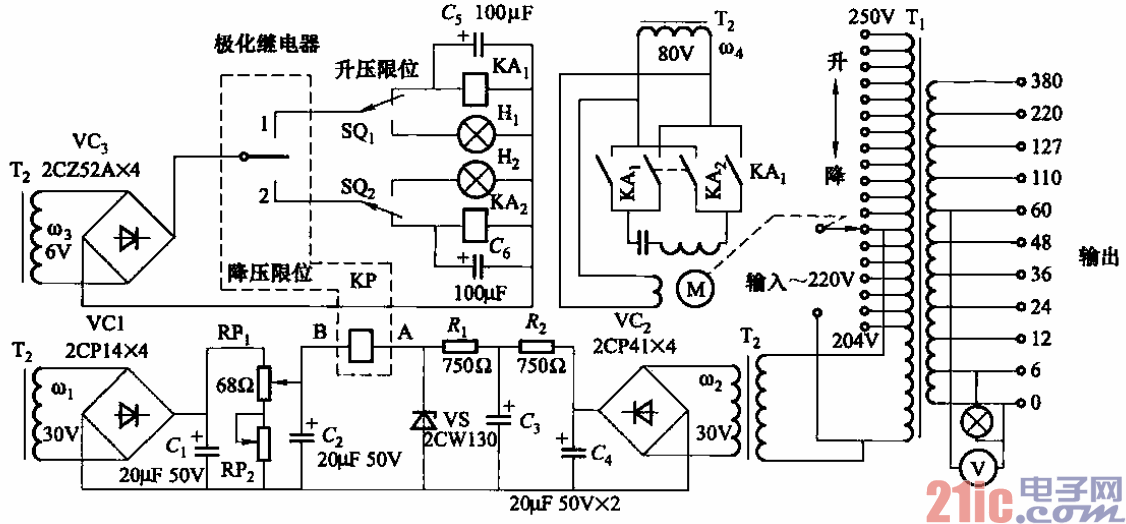
电路如图14-86所示。该电路能在输入电压为240~250V范围变化时,使输出电压基本
稳定;最小调节电压为2V。
极化继电器能反映电流极性,具有较高的灵敏度与动作的快速性,可采用J H-l或2、
3、4、5型。
此外,为了保证当调压器滑臂移至升压或降压的极限位置时能自动停止下来,设有限位
开关SQi和SQ2。H]和H2分别是上越位和下越位指示灯。调节RPi、RPz,可改变输出
电压设定值。