0
问答首页 最新问题 热门问题 等待回答标签广场
我要提问

稳压电路继电器控制电路

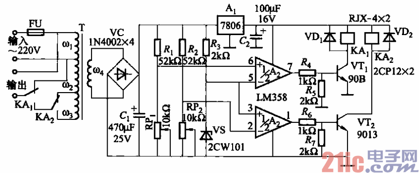
继电器控制的自耦变压器式交流稳压电源电路之四

继电器控制的自耦变压器式交流稳压电源电路之四
提问者:cai868 地点:- 浏览次数:6016 提问时间:02-21 22:08
我有更好的答案
提 交
1条回答
zrl12123456 02-25 06:58

82.继电器控制的自耦变压器式交流稳压电源电路之四.gif


它采用两个LM358运算放大器Ar和A2作为上限电压和下限电

压的测量比较控制电路。调节电位器RPi和RP2,可改变上限电压和下限电压设定值。

撰写答案
提 交
1 / 3
1 / 3
相关稳压电路
用高压线性稳压器HIP5600构成的小功率无变压器稳压电源电路图
晶闸管式过电流保护电路之一a
晶体管稳流电源电路之二
0-30V连续可调稳压电源
无触点可逆换挡稳压电源
相关继电器控制电路
继电器低功耗保持电路图
.时间继电器控制正反转启动电路
继电器低功耗保持电路图
继电器输出简单的光束报警电路图
家用电器红外遥控接收电路图