0
问答首页 最新问题 热门问题 等待回答标签广场
我要提问

稳压电路电源

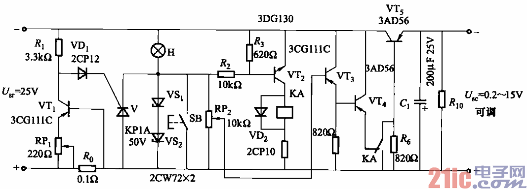
带过电流和短路保护的稳压电源电路之一

带过电流和短路保护的稳压电源电路之一
提问者:nvyweyrww1 地点:- 浏览次数:8549 提问时间:05-29 11:08
我有更好的答案
提 交
1条回答
formlikon 06-07 11:35

107.带过电流和短路保护的稳压电源电路之一.gif


该电路当故障消除后不能自动恢复工作。若要恢复工作,需按

动一下复位按钮SB。

    稳压器的输出电压可以通过电位器RPz在0.2~15V范围调节,而负载最大电流(在此

电流下可起保护作用)可以调节微调电阻RPi加以确定。当VTs安装散热器,且输出电压

为15V的情况下,稳压器可长期通过1A

的电流,或者在30—40min(决定于调整

管散热器空气对流条件)为2~3A。

撰写答案
提 交
1 / 3
1 / 3
相关稳压电路
用高压线性稳压器HIP5600构成的小功率无变压器稳压电源电路图
晶闸管式过电流保护电路之一a
晶体管稳流电源电路之二
0-30V连续可调稳压电源
无触点可逆换挡稳压电源
相关电源
TDA16846组成的彩电开关电源原理图
联想LX-PL4C2型彩色显示器开关电源电路
长虹CN-9机心彩电开关电源电路
索尼KV2184彩电开关电源电路
王牌TCL-3460D彩电开关电源电路