0
问答首页 最新问题 热门问题 等待回答标签广场
我要提问

稳压电路保护电路过流保护电路直流电路

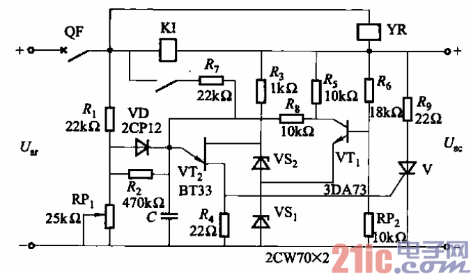
直流电源过电压、欠电压及过流保护电路

直流电源过电压、欠电压及过流保护电路
提问者:tutu12 地点:- 浏览次数:2892 提问时间:05-11 07:49
我有更好的答案
提 交
1条回答
帅凌电子 05-15 17:49

115.直流电源过电压、欠电压及过流保护电路.gif


该保护电路在直流电源输入电压大于30V或小于18V或负载电

流超过35A时,晶闸管都将被触发导

通,致使断路器QF跳闸。图中,YR

为断路器QF的脱扣线圈;KI为过电

流继电器。

撰写答案
提 交
1 / 3
1 / 3
相关稳压电路
用高压线性稳压器HIP5600构成的小功率无变压器稳压电源电路图
晶闸管式过电流保护电路之一a
晶体管稳流电源电路之二
0-30V连续可调稳压电源
无触点可逆换挡稳压电源
相关保护电路
采用限流保护电路的100W功率放大器
典型开关电源保护电路
音频功率放大电路和喇叭保护电路原理图
开关电源模块化设计及继电保护电路设计 —电路图天天读(247)
数控开关电源过流保护电路图
相关过流保护电路
数控开关电源过流保护电路图
集成运算放大器输出过流保护电路原理
长虹NC-3机芯场过流保护电路
大功率直流电机的过流保护电路图
大功率直流电动机过流保护电路
相关直流电路
直流功率计电路图
直流伺服恒流功放电路图
交直流两用功放电路制作
纯直流场效应管功放电路原理图
直流电机的可逆原理