0
问答首页 最新问题 热门问题 等待回答标签广场
我要提问

稳压电路电源

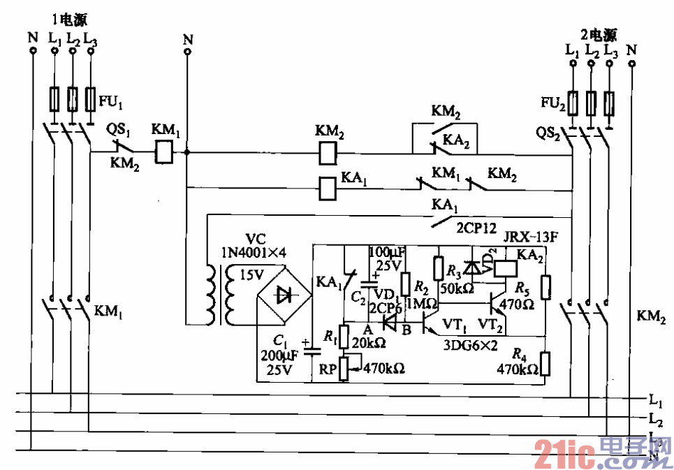
双路电源用接触器自投电路之二

双路电源用接触器自投电路之二
提问者:wanjia92 地点:- 浏览次数:4167 提问时间:01-10 02:57
我有更好的答案
提 交
1条回答
海蜇pi 01-11 01:59

128.双路电源用接触器自投电路之二.gif


两路电源可互为备用。

    元件选择:低压断路器QFi、QFz选用D210-100/3(由负载容量决定)。组合开关

SAi、SA2选用H210-10/2型。熔断器选用RLl-15/5A。接触器KMi、KM2选用CJlo-

100/380V(由负载容量决定)。指示灯选用XD3-220/15V、2V.A或其他型号。

    上述元件的选择也可作为下面介绍的各电路的参考。

 

撰写答案
提 交
1 / 3
1 / 3
相关稳压电路
用高压线性稳压器HIP5600构成的小功率无变压器稳压电源电路图
晶闸管式过电流保护电路之一a
晶体管稳流电源电路之二
0-30V连续可调稳压电源
无触点可逆换挡稳压电源
相关电源
TDA16846组成的彩电开关电源原理图
联想LX-PL4C2型彩色显示器开关电源电路
长虹CN-9机心彩电开关电源电路
索尼KV2184彩电开关电源电路
王牌TCL-3460D彩电开关电源电路