0
问答首页 最新问题 热门问题 等待回答标签广场
我要提问

稳压电路电源

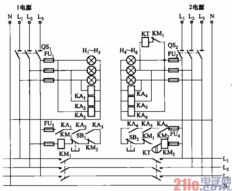
双路电源用接触器互投电路之三

双路电源用接触器互投电路之三
提问者:xlong97 地点:- 浏览次数:5465 提问时间:12-16 09:36
我有更好的答案
提 交
1条回答
60user39 12-19 10:46

133.双路电源用接触器互投电路之三.gif


双路电源互投是指负载由两路电源供电,且两路电源同时工作,分别负担用电负荷。当

其中一路电源停电时,联络开关自动合闸,全部负载由不停电的回路供电。


电压继电器KAi—KA6选用DJ-111/220V。




电路如图所示。正常情况下,1号电源向甲段母线的负载供电,2号电源向乙段

母线的负载供电。

    注意:断路器QFi、QF2的辅助触点必须比主触点先动作一个At时间(可用机械调

整),否则两个不同电源将在瞬间合并,引起短路。

撰写答案
提 交
1 / 3
1 / 3
相关稳压电路
用高压线性稳压器HIP5600构成的小功率无变压器稳压电源电路图
晶闸管式过电流保护电路之一a
晶体管稳流电源电路之二
0-30V连续可调稳压电源
无触点可逆换挡稳压电源
相关电源
TDA16846组成的彩电开关电源原理图
联想LX-PL4C2型彩色显示器开关电源电路
长虹CN-9机心彩电开关电源电路
索尼KV2184彩电开关电源电路
王牌TCL-3460D彩电开关电源电路