0
问答首页 最新问题 热门问题 等待回答标签广场
我要提问

稳压电路电源

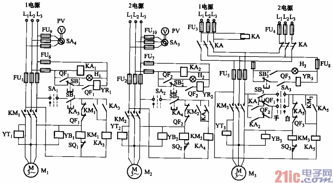
双路电源用低压断路器(电动机合闸)互投电路

双路电源用低压断路器(电动机合闸)互投电路
提问者:aoguansusan 地点:- 浏览次数:5275 提问时间:07-15 14:16
我有更好的答案
提 交
1条回答
iuwwufjsd 07-22 19:43

136.双路电源用低压断路器(电动机合闸)互投电路.gif


双路电源互投自复是指负载由两路电源同时供电,当其中一路电源停电时,联络开关自

动合闸,由不停电回路电源负担全部负荷。当停电回路恢复电源后,联络开关自动跳闸,恢

复到原来的供电方式。电路如图

撰写答案
提 交
1 / 3
1 / 3
相关稳压电路
用高压线性稳压器HIP5600构成的小功率无变压器稳压电源电路图
晶闸管式过电流保护电路之一a
晶体管稳流电源电路之二
0-30V连续可调稳压电源
无触点可逆换挡稳压电源
相关电源
TDA16846组成的彩电开关电源原理图
联想LX-PL4C2型彩色显示器开关电源电路
长虹CN-9机心彩电开关电源电路
索尼KV2184彩电开关电源电路
王牌TCL-3460D彩电开关电源电路