0
问答首页 最新问题 热门问题 等待回答标签广场
我要提问

稳压电路电源

一款伺服式稳压电源电路图

一款伺服式稳压电源电路图
提问者:hljgaoqf 地点:- 浏览次数:4515 提问时间:11-15 05:05
我有更好的答案
提 交
1条回答
深圳雅创 11-22 11:08

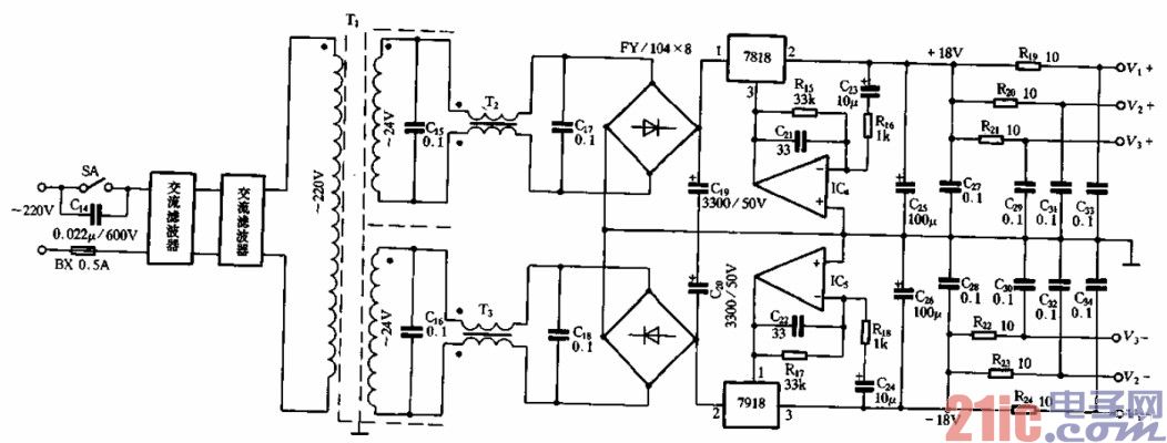
 下图所示的是一款功放专用的伺服式稳压电源电路图。电路采用78 1 8和79 1 8两只正负输出的集成稳压器,LF353作伺服电路,输出三组正负对称的18v电压。该电路采用双桥式整流供电,交流输入采用了两级交流电源滤波净化方式,进一步提高了电源的纯净度。


一款伺服式稳压电源电路图.jpg

撰写答案
提 交
1 / 3
1 / 3
相关稳压电路
用高压线性稳压器HIP5600构成的小功率无变压器稳压电源电路图
晶闸管式过电流保护电路之一a
晶体管稳流电源电路之二
0-30V连续可调稳压电源
无触点可逆换挡稳压电源
相关电源
TDA16846组成的彩电开关电源原理图
联想LX-PL4C2型彩色显示器开关电源电路
长虹CN-9机心彩电开关电源电路
索尼KV2184彩电开关电源电路
王牌TCL-3460D彩电开关电源电路