0
问答首页 最新问题 热门问题 等待回答标签广场
我要提问

电工电路延时电路

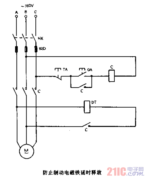
防止制动电磁铁延时释放

防止制动电磁铁延时释放
提问者:lkjflksjfsa 地点:- 浏览次数:887 提问时间:11-12 03:45
我有更好的答案
提 交
1条回答
werywer 11-16 15:54

防止制动电磁铁延时释放.gif

撰写答案
提 交
1 / 3
1 / 3
相关电工电路
电工常用图形符号与文字符对照表
全桥式开关电源电路主回路
24位4.7Hz、4通道模拟数据采集系统电路图
自适应直流供电电源电路
收音机减少交流声的电路
相关延时电路
照明延时开关
卡拉OK延时混响电路M65831
长延时恒流充电电路
光控延时闪光玩具车电路
触摸延时开关电源电路