0
问答首页 最新问题 热门问题 等待回答标签广场
我要提问

家用电器延时电路

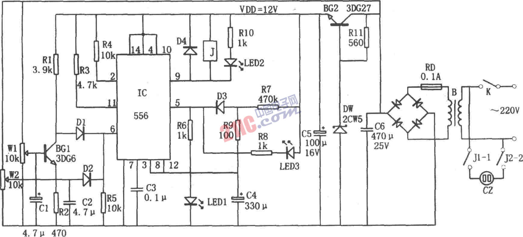
556构成的电冰箱过压、欠压、断电延时保护器

556构成的电冰箱过压、欠压、断电延时保护器
提问者:kingnet_52005 地点:- 浏览次数:9316 提问时间:03-29 07:22
我有更好的答案
提 交
1条回答
w525170414 03-31 08:15

如图所示为电冰箱过压、欠压、断电延时保护器电路。该电路由过压和欠压取样电路、触发电路、延时电路、降压整流电路等组成。其中降压整流电路为整个电路提供直流电压。

 

 

撰写答案
提 交
1 / 3
1 / 3
相关家用电器
胆机cs8412+df1700+pcm58组合,廉价好声的电路电路图
胆机PCM1793电路图
用晶体管/三极管以PWM波形来驱动风扇的电路图
胆机TDA1541NOS DAC胆版电源电路图
有正反转功能变频器的可逆电路
相关延时电路
照明延时开关
卡拉OK延时混响电路M65831
长延时恒流充电电路
光控延时闪光玩具车电路
触摸延时开关电源电路