0
问答首页 最新问题 热门问题 等待回答标签广场
我要提问

电机控制电路延时电路

电子延时Y-△启动电路

电子延时Y-△启动电路
提问者:CAINE_LEE 地点:- 浏览次数:8116 提问时间:02-09 00:31
我有更好的答案
提 交
1条回答
60user147 02-18 11:23

51.电子延时Y-△启动电路.gif


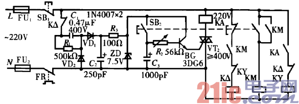
电路工作原理:交流电压经电容C,降压、二极管VD.整流、

电容c2滤波、ZD稳压,为三极管提供7.5 V的直流电压。当按下

连锁按钮SB,时,一方面主回路接触器KM线圈得电,其常开触点

闭合自锁;另一方面,电容器C3被充电,最终电压可达到7V。

撰写答案
提 交
1 / 3
1 / 3
相关电机控制电路
直流电动机正反转控制电路
直流电动机工作原理图
大功率直流电动机过流保护电路
直流电动机控制电路
.时间继电器控制正反转启动电路
相关延时电路
照明延时开关
卡拉OK延时混响电路M65831
长延时恒流充电电路
光控延时闪光玩具车电路
触摸延时开关电源电路