0
问答首页 最新问题 热门问题 等待回答标签广场
我要提问

电源电路充电电路整流电路

半波整流、分挡可调式充电电路

半波整流、分挡可调式充电电路
提问者:yunhanuser 地点:- 浏览次数:7404 提问时间:10-12 00:35
我有更好的答案
提 交
1条回答
bertvwang 10-16 15:51

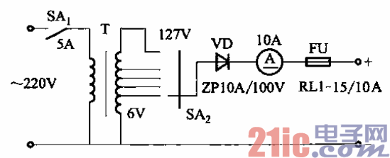
1.半波整流、分挡可调式充电电路.gif


下面介绍几种简易蓄电池充电机,半波整流式适用于摩托车电瓶、家用蓄电池,全波整

流式适用于汽车、拖拉机、柴油机等电瓶。

    电路如图所示。变压器T为200V.A,次级有6V、12V、24V、36V等多个抽

头,以适应不同蓄电池电压充电的需要。


 

撰写答案
提 交
1 / 3
1 / 3
相关电源电路
无噪声的的功放电源电路
LG CF-25H84彩电开关电源电路
LG MC-8AA机心彩电开关电源电路
LG MC-022A机心彩电开关电源电路
LG MC-019A机心彩电开关电源电路
相关充电电路
长延时恒流充电电路
仙童高通2.0手机快速充电方案
LT1307构成的恒流充电电路图
由MIC5158构成的电池充电电路
镉溴蓄电池充电电路
相关整流电路
桥式整流电容滤波电路
双臂整流模块串联电路
三倍压整流电路
硅整流电容储能直流系统电路
对整流中器件的保护电路图