0
问答首页 最新问题 热门问题 等待回答标签广场
我要提问

电源电路充电电路整流电路

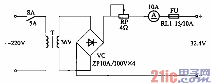
全波整流可调式充电电路

全波整流可调式充电电路
提问者:boju81 地点:- 浏览次数:6769 提问时间:01-31 12:14
我有更好的答案
提 交
1条回答
like谢雨 02-01 01:41

3.全波整流可调式充电电路.gif


调节电位器RP,可改变充电电流。


 

撰写答案
提 交
1 / 3
1 / 3
相关电源电路
无噪声的的功放电源电路
LG CF-25H84彩电开关电源电路
LG MC-8AA机心彩电开关电源电路
LG MC-022A机心彩电开关电源电路
LG MC-019A机心彩电开关电源电路
相关充电电路
长延时恒流充电电路
仙童高通2.0手机快速充电方案
LT1307构成的恒流充电电路图
由MIC5158构成的电池充电电路
镉溴蓄电池充电电路
相关整流电路
桥式整流电容滤波电路
双臂整流模块串联电路
三倍压整流电路
硅整流电容储能直流系统电路
对整流中器件的保护电路图