0
问答首页 最新问题 热门问题 等待回答标签广场
我要提问

电机控制电路异步电机控制电路

绕线式异步电动机能耗制动电路

绕线式异步电动机能耗制动电路
提问者:W_B_L 地点:- 浏览次数:2130 提问时间:12-16 06:18
我有更好的答案
提 交
1条回答
都等着发 12-21 19:52

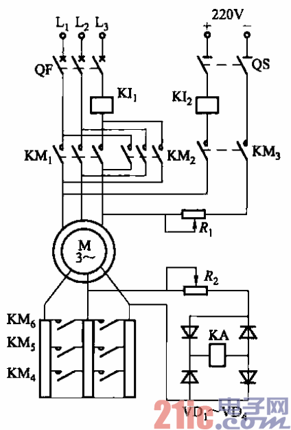
172.绕线式异步电动机能耗制动电路.gif


绕线式异步电动机的能耗制动线路,其原理与笼型异步电动机的能耗制动线路一样,即

当电动机断电后,在其定子绕组中通人直流电流,建立一个静止磁场,从而产生一个制动转

矩。能耗制动适用于经常启动和频繁正反转、且要求迅速和准确停机的电动机。

    能耗制动电路如图3-172所示(只画出主回路)。

撰写答案
提 交
1 / 3
1 / 3
相关电机控制电路
直流电动机正反转控制电路
直流电动机工作原理图
大功率直流电动机过流保护电路
直流电动机控制电路
.时间继电器控制正反转启动电路
相关异步电机控制电路
DGK型三相异步电机节电器电路图
一款小型三相异步电机的单相运行电路
节电式三相异步电动机断相保护电路
异步发电机电容过电压保护电路
三相异步电动机改接单相电源工作电路