0
问答首页 最新问题 热门问题 等待回答标签广场
我要提问

电机控制电路保护电路异步电机控制电路

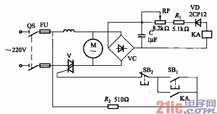
单相异步电动机过电流保护电路之一

单相异步电动机过电流保护电路之一
提问者:青上也 地点:- 浏览次数:1942 提问时间:01-14 12:46
我有更好的答案
提 交
1条回答
test_user2 01-23 01:23

68.单相异步电动机过电流保护电路之一.gif


该电路采取

电磁继电器控制。当电动机发生过载和

换向器出现环火时能将电动机电源自动

切断。调节电位器RP,可改变动作设定值。

撰写答案
提 交
1 / 3
1 / 3
相关电机控制电路
直流电动机正反转控制电路
直流电动机工作原理图
大功率直流电动机过流保护电路
直流电动机控制电路
.时间继电器控制正反转启动电路
相关保护电路
采用限流保护电路的100W功率放大器
典型开关电源保护电路
音频功率放大电路和喇叭保护电路原理图
开关电源模块化设计及继电保护电路设计 —电路图天天读(247)
数控开关电源过流保护电路图
相关异步电机控制电路
DGK型三相异步电机节电器电路图
一款小型三相异步电机的单相运行电路
节电式三相异步电动机断相保护电路
异步发电机电容过电压保护电路
三相异步电动机改接单相电源工作电路