
一台三相笼型异步电动机经原动机(如柴油发动机等)拖动,并在异步电动机定子绕组
出线端并接一些电容器作为励磁电源,便能输出三相交流电。这种发电方式称作异步发电。
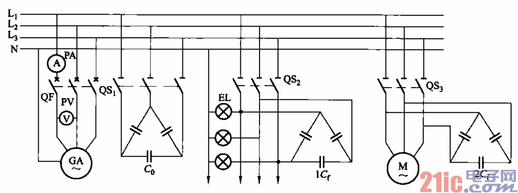
异步发电的接线如图7-1所示。
自励电容器分作两部分:-部分使发电机在空载时产生额定电压,叫主电容(c0);另
一部分使发电机由空载到满载并保持额定电压不变,叫附加电容或调节电容(lCf、20)。
电容器可选用金属化膜电容器或自愈式并联电容器,如BCMJ、BFF系列等,其额定电压不
小于400V。
主电容器的电容量可按下式估算:
当用于额定电压为380V的发电机时
Cc一14.5510(p,F)
当用于额定电压为220V的发电机时
Co =2510(且F)
式中,Io为改制的异步电动机空载电流,A。