0
问答首页 最新问题 热门问题 等待回答标签广场
我要提问

光电电路延时电路

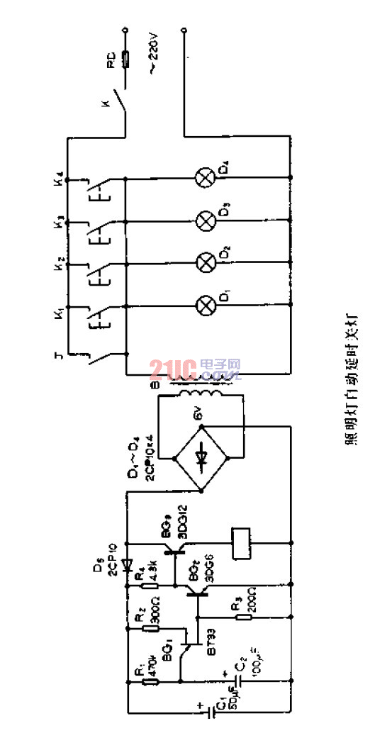
照明灯自动延时关灯

照明灯自动延时关灯
提问者:bo791755101 地点:- 浏览次数:10236 提问时间:01-18 16:33
我有更好的答案
提 交
1条回答
60user69 01-25 04:40

照明灯自动延时关灯.gif

撰写答案
提 交
1 / 3
1 / 3
相关光电电路
具有音调控制的单片机立体声前置放大器
用于单片机与电子装置中的开关电源
TA7654P/TA7655P构成5点一条LED显示驱动电路图
用直流电点燃日光灯线路
7段LED显示器的分时驱动电路图
相关延时电路
照明延时开关
卡拉OK延时混响电路M65831
长延时恒流充电电路
光控延时闪光玩具车电路
触摸延时开关电源电路