0
问答首页 最新问题 热门问题 等待回答标签广场
我要提问

光电电路延时电路

带催眠器的延时床头灯电路

带催眠器的延时床头灯电路
提问者:ziding56 地点:- 浏览次数:1918 提问时间:12-01 07:22
我有更好的答案
提 交
1条回答
低调青芒 12-10 03:45

13.带催眠器的延时床头灯电路.gif


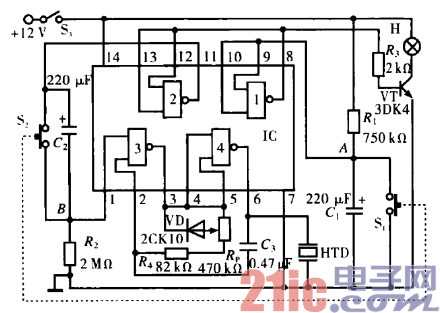
电路工作原理:R1、C1.、门1、VT、H构成定时照明电路。

门2为电子开关。C2、R2、门3、门4、VD、Rp、R4、C3、HTD

构成定时催眠器,其中门3、门4、Rp、R4、C3为仿雨滴声受控

振荡器,调节砩即可改变雨滴声发出的速度。使用时,接通电

源开关S3,按一下双联按钮S1、S2,使C1、C2迅速放完电。

 

撰写答案
提 交
1 / 3
1 / 3
相关光电电路
具有音调控制的单片机立体声前置放大器
用于单片机与电子装置中的开关电源
TA7654P/TA7655P构成5点一条LED显示驱动电路图
用直流电点燃日光灯线路
7段LED显示器的分时驱动电路图
相关延时电路
照明延时开关
卡拉OK延时混响电路M65831
长延时恒流充电电路
光控延时闪光玩具车电路
触摸延时开关电源电路