
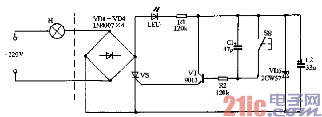
VDl~VD5、LED、Rl及C2组成简单的桥式整流、降压和稳压电路,平时电容Cl和
C2都充满了电荷,三极管VT截止,可控硅vs因得不到触发电流而处于关断状态,此时
发光二极管LED发光指示控制器即本开关的位置,便于夜间寻找开关,灯泡H不发光。开
灯时,只要按压一下开关SB,C2储存电荷通过SB注入三极管VT的基极,VT导通,可
控硅vs因门极通过'VT的“e极获得触发电流而开通,灯泡H点亮发光。与此同时cl储
存电荷通过SB迅速泄放,松开按键开关SB后,由于C2两端9V电压向Cl充电,CI的充
电电流维持了VT的继续导通,所以vs仍能保持开通状态,灯泡H仍然发光。当电容C1
充满电荷后.VT就由导通态转为截止态,vs失去了触发电压,当交流电过零时便关断,
灯泡H熄灭。电路的延迟时间主要由R2与Cl的充电时间常数决定,此外VD5的稳压值大
小、vs的触发灵敏度高低咀及灯泡H的电功率等值对延迟时间也有影响。