0
问答首页 最新问题 热门问题 等待回答标签广场
我要提问

光电电路延时电路

触摸式照明延时关灯电路之一

触摸式照明延时关灯电路之一
提问者:Shype 地点:- 浏览次数:4343 提问时间:05-29 13:35
我有更好的答案
提 交
1条回答
binro 06-02 21:39

56.触摸式照明延时关灯电路之一.gif


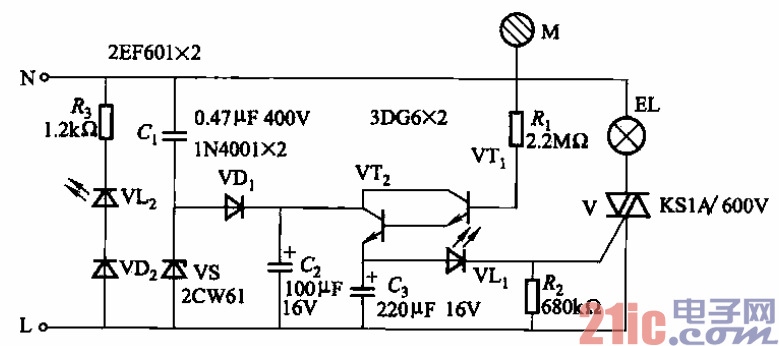
(1)触模式照明延时关灯电路之一

    电路如图2-56所示。由复合三极管VTi、VTz和双向晶闸管V等组成延时触摸开关电

路。延时时间由R2、C3决定。如采用图2-56所示数值,延时时间约90s。

撰写答案
提 交
1 / 3
1 / 3
相关光电电路
具有音调控制的单片机立体声前置放大器
用于单片机与电子装置中的开关电源
TA7654P/TA7655P构成5点一条LED显示驱动电路图
用直流电点燃日光灯线路
7段LED显示器的分时驱动电路图
相关延时电路
照明延时开关
卡拉OK延时混响电路M65831
长延时恒流充电电路
光控延时闪光玩具车电路
触摸延时开关电源电路