0
问答首页 最新问题 热门问题 等待回答标签广场
我要提问

光电电路延时电路报警电路

延时报警电路

延时报警电路
提问者:电子分销商 地点:- 浏览次数:2949 提问时间:12-15 06:36
我有更好的答案
提 交
1条回答
derek88 12-18 13:23

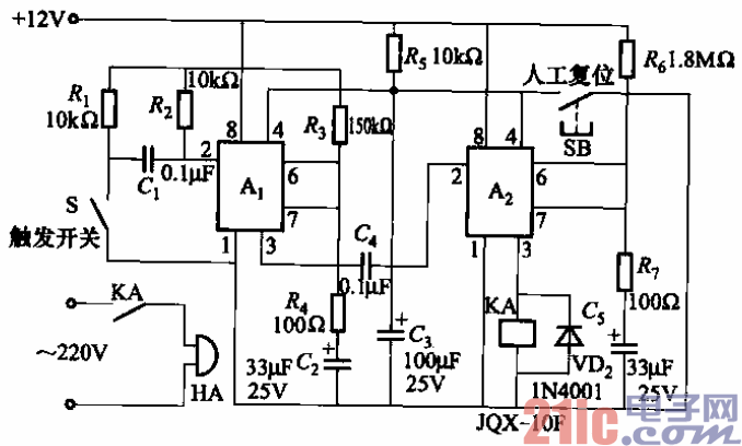
152.延时报警电路.gif


它是由两组555时基集成电路Ai、A2组成的单稳态电路。

    当人为使触发开关S(可以是干簧管触点、继电器触点等)闭合时、继电器KA吸合,

即报警。经过一段时间延时后,电路又恢复顶警状态。

撰写答案
提 交
1 / 3
1 / 3
相关光电电路
具有音调控制的单片机立体声前置放大器
用于单片机与电子装置中的开关电源
TA7654P/TA7655P构成5点一条LED显示驱动电路图
用直流电点燃日光灯线路
7段LED显示器的分时驱动电路图
相关延时电路
照明延时开关
卡拉OK延时混响电路M65831
长延时恒流充电电路
光控延时闪光玩具车电路
触摸延时开关电源电路
相关报警电路
直流电流电压变换电路图
简单的断开报警电路图
蜂鸣器报警电路
简单的连续波单音红外光束发射器电子图
接触式报警器电路图