0
问答首页 最新问题 热门问题 等待回答标签广场
我要提问

数字电路延时电路

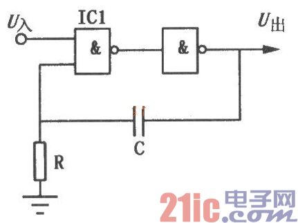
与非门组成的宽延时触发器电路图

与非门组成的宽延时触发器电路图
提问者:jia1993win 地点:- 浏览次数:10487 提问时间:07-17 17:46
我有更好的答案
提 交
1条回答
khsahdwu 07-26 06:00

如图所示是一个负脉冲触发的宽延时单稳态触发器,它提供了数秒的延时时间,用于定时精度要求不高的场合。图中延时主要决定于电容C。对于TTL电路来说,R的阻值一般为5~10kΩ。下表中列出了R=5.1kΩ时,延时的实测数据。C的最大容量可达几百微法,延时可达数秒。延时结束后还需要等待一段时间(称恢复时间),就是要等待电容C两端电压不再变化时,方能进行第二次触发,否则,不是电路不能触发,便是所得的延时不稳定。等待第二次触发所需的时间决定于RC。当R=3.4kΩ、C=0.047μF时,实测延时为180μs,恢复时间为78μs。


与非门组成的宽延时触发器电路图
撰写答案
提 交
1 / 3
1 / 3
相关数字电路
同步RS触发器的电路结构及其符号
序列信号发生器
点阵型LCD和矩阵键盘电路
数字滤波电路图
多谐振荡器的工作特点和符号
相关延时电路
照明延时开关
卡拉OK延时混响电路M65831
长延时恒流充电电路
光控延时闪光玩具车电路
触摸延时开关电源电路