购物车0制造商:ON
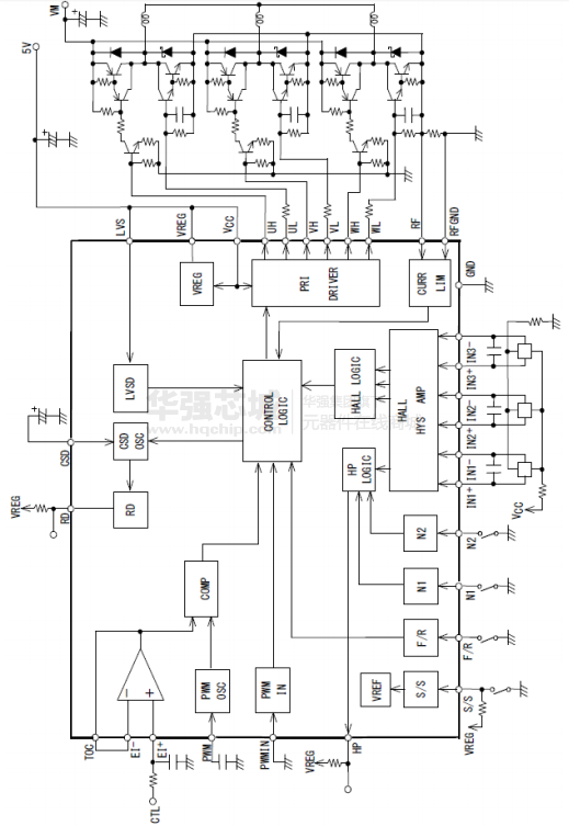
LB11696V is a direct PWM drive brushless motor predriver IC designed for 3-phase power brushless motors. A motor driver circuit with the desired output power (voltage and current) can be implemented by adding discrete transistors in the output circuits. Furthermore, the LB11696V provides a full complement of protection circuits allowing it to easily implement high reliability drive circuits. This device is optimal for driving all types of large scale motors, such as those used in air conditioners and on-demand water heaters.




LB11696V电路图

LB11696V电路图

LB11696V 引脚图

LB11696V 封装图

LB11696V 封装图
| 型号 | 制造商 | 描述 | 购买 |
|---|---|---|---|
| LB11696V-MPB-E | ON | IC MTR DRV 4.5-5.5V/8-17V 30SSOP | 立即购买 |
| LB11696V-TRM-E | ON | IC MTR DRV 4.5-5.5V/8-17V 30SSOP | 立即购买 |
| LB11696V-TLM-E | ON | 立即购买 |
| 标题 | 类型 | 大小(KB) | 下载 |
|---|---|---|---|
| Direct PWM Drive Brushless Motor Predriver | 683 | 点击下载 | |
| SSOP30 (275mil) | 57 | 点击下载 | |
| Application Circuit Example | UNKNOW | 91 | 点击下载 |
| LB11696VGEVB Bill of Materials ROHS Compliant | 106 | 点击下载 | |
| LB11696VGEVB Gerber Layout Files (Zip Format) | RAR | 108 | 点击下载 |
| LB11696VGEVB Schematic | 65 | 点击下载 | |
| LB11696VGEVB Test Procedure | 224 | 点击下载 |
在住宅用电中,照明用电占有相当大的比重。以家庭 用电为例,空调、冰箱、热水器等用电大户一直是大家关注 的焦点,而天天都在使用的照明反倒被认为是“小儿科” 了。其实,每一张电费账单中都要为照明用电支付1/6的 ...
...打印机来打印发票。控制该类型步进电机驱动芯片UDN2916LB市场应用将极为广泛。
在过去的一个月,我司集中针对某公司下属多数充电仓库进行零线异常过电流针对治理,该仓库下方主要负载为充电桩,而这类型的负责为典型的谐波源,也是本次的治理目标。 一、充电柜零线电流的产生 产生零线电流的原因...
1、系统概述 RS-LB-320泵吸式油烟监测仪是我司响应国家对餐饮行业油烟进行监管,所设计的一款油烟在线监测主机。油烟监测系统能够对餐厨排烟管道的油烟浓度、颗粒物浓度、非甲烷总烃(NMHC)浓度进行24小时不间断测量,并上...
1、系统概述 RS-LB-110-Y油烟监测系统主机是我司响应国家对餐饮行业油烟进行监管,所设计的一款油烟在线监测主机。RS-LB-110-Y油烟监测系统主机最多可连接6台从机设备(包括:扩散式油烟变送器、泵吸式油烟监测从机、电流采集...
1、系统概述 RS-LB-100油烟监测系统是我司为监测油烟实时值、管道风速风量实时值、净化器运行状态、风机运行状态的场合所研发的一款多功能监控主机,可根据设置的上下限值产生报警信息,可将数据通过以太网口、GPRS无线实...
1、系统概述 RS-LB-210油烟监测仪是我司响应国家对餐饮行业油烟进行监管,所设计的一款油烟在线监测主机。主机能够对餐厨排烟管道的油烟浓度、颗粒物浓度、非甲烷总烃(NMHC)浓度进行24小时不间断测量,并上传我司免费的监...
近日,星曜半导体正式推出了其针对5G应用的全自研射频模组芯片产品——STR51210-11。这款LB L-PAMiD模组芯片集成了星曜半导体全自主开发的2G+4G/5G LB PA(功率放大器)、LNA(低噪声放大器)、Switch(开关)以及Band 8/26/28F等频段的双工器。
| LB11650 | LV8406T | LB11850VA | LB11870 |
| LC87F2416A | LC786821E | LMH2121 | LB11961V |
| LB1935FA | LSM6DS3H | LB11922 | LF356-MIL |
| LAN9354 | LV8862JA | LV8012T | LC823433TA |
| LB11683H | LMK04826 | LB1876 | LMP7721 |