
PAM8009 3 W D 类音频放大器和 AB 类耳机驱动器

Diodes 的 PAM8009 系列(PAM8009 3 W Class-D Audio Amplifier and Class-AB Headphone Driver)采用功率限制技术进行扬声器保护和先进的 DC 音量控制
发布时间:2018-06-14
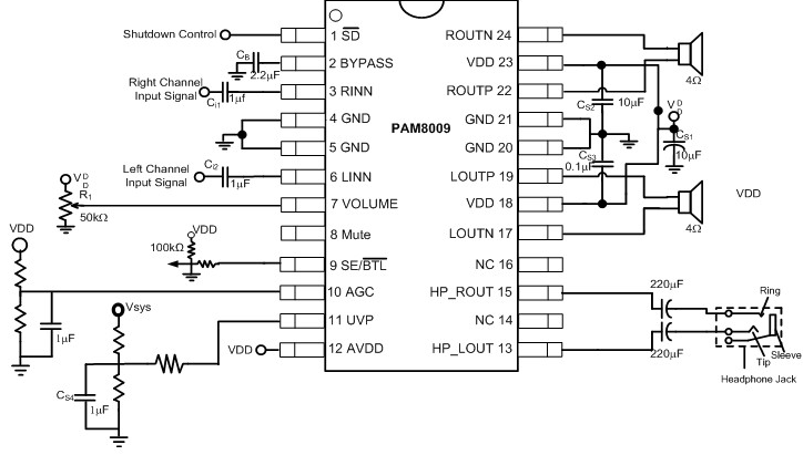
Diodes 的 PAM8009 是高度集成的 3 W D 类音频功率放大器,用于驱动桥接式 (BTL) 立体声扬声器,并带有单立体声单端 (SE) 耳机放大器。 PAM8009 采用两个高能效封装,具有出色的音频性能以及多种特性,提供了完整的系统灵活性。 先进的 DC 音量控制最大限度地减少了所需的外部元件,允许以 64 步阶为精度在 +20 dB 至 -60 dB 范围内进行精确音量控制。 提供静音和待机模式,减少了噪声或将功耗降至最低。 自动增益控制 (AGC) 功能允许 PAM8009 在保护扬声器的同时最大化输出功率。
PAM8009 3 W D 类音频放大器和 AB 类耳机驱动器特性
内置耳机驱动器的 3W 立体声 D 类放大器
完全音频控制允许音频放大器进行全系统控制
增强系统保护
PAM8009 3 W D 类音频放大器和 AB 类耳机驱动器应用
LCD 监视器/TV
投影灯
计算
一体式计算机
游戏机
DVD 播放机
| 图片 | 数据手册 | 产品型号 | 产品分类 | 产品描述 | 价格 | 操作 |
|---|---|---|---|---|---|---|
![]() | | PAM8009KGR | 功率放大器-运算放大器及比较器 | IC AMP AUDIO U-QFN4040-20 | 在线订购 | |
![]() | | PAM8009DHR | 功率放大器-运算放大器及比较器 | IC AMP AUDIO SO24 | ¥3.81033 | 在线订购 |
应用案例
资讯Diodes公司推出车规级比特级重定时器PI2DPT1021Q2025-11-03
Diodes 公司(Nasdaq: DIOD)宣布推出符合汽车标准*的PI2DPT1021Q,这是一款全新的比特级重定时器,设计用于满足汽车市场的严格要求。该器件支持 USB Type-C应用的 DisplayPort (DP) 1.4 和 USB 3.2 标准,例如信息娱乐和仪表盘、后排娱乐、智能座舱和有源电缆线。
资讯Diodes公司推出高性能I2C/SPI总线至双通道UART网桥PI7C9X762Q2025-10-17
Diodes 公司(Diodes)(Nasdaq:DIOD)宣布推出PI7C9X762Q,这是一款符合汽车标准*的高性能 I2C/SPI 总线至双通道 UART 网桥。该器件在工作状态和睡眠模式下的功耗较低,非常适合电动车(EV)设计。主要应用领域包括智能座舱、中央控制器、I/O 模块控制器、高级驾驶辅助系统(ADAS)、远程信息处理和区域网关。
资讯Diodes公司推出智能48通道LED驱动器AL5958Q2025-09-11
Diodes 公司(Nasdaq:DIOD)宣布推出符合车用规范*的全新矩阵式LED驱动器AL5958Q,具备48通道恒定电流源,支持最多32组扫描。该器件为车用动态照明带来变革,提升全新汽车平台的安全、个性与美学。
资讯Diodes公司推出四款80V/100V异步降压转换器2025-09-01
Diodes公司(Nasdaq:DIOD)推出四款符合车用规范*的异步降压转换器,适用于48V 低电压轨负载点(PoL)应用。
资讯Diodes公司推出两款3.3V四通道混合式ReDriver信号调节器2025-08-21
Diodes 公司(Nasdaq:DIOD)推出两款 3.3V 四通道混合式 ReDriver信号调节器,内置显示数据通道(DDC)监听器,设计用于提升 HDMI 应用的信号完整性并简化系统设计。PI3HDX12311适用于高带宽应用,支持高达 12Gbps的 HDMI 2.1 固定速率链路(FRL),以及最高 6Gbps 的最小化传输差分信号(TMDS)。PI3HDX6311则支持 HDMI 2.0,速率达到 6Gbps。两款产品也支持 DisplayPort双模式(DP++)V1.1 电平转换。
资讯Diodes公司推出AP7372低噪声低压差稳压器2025-08-18
Diodes 公司 (Nasdaq:DIOD) 宣布推出AP7372低噪声低压差 (LDO) 稳压器,用于为数据转换器 (ADC、DAC)、电压控制振荡器 (VCO) 和锁相环 (PLL) 等精密元器件供电。
资讯Diodes推出 80V 低 IQ 理想二极管控制器,可简化现代汽车架构中的反极性电池和过压保护2025-08-05
【 2025 年 8 月 5 日美国德州普拉诺讯】 Diodes 公司 (Nasdaq:DIOD) 推出符合汽车标准*的 80V 理想二极管控制器 AP74502Q 和 AP74502HQ,提供强大且可靠的反向连接保护和电压瞬变保护。典型产品应用包括高级驾驶辅助系统 (ADAS)、车身控制模块、信息娱乐系统、外部照明和 USB 充电端口。 这两款理想二极管控制器具备实现高效且快速反极性保护电路所需的所有功能,也具有负载断开功能,能够应对过压和欠压情况。凭借 80V 电压能力,这两款器件适用于
资讯Diodes方案:AP66x00Q/AP64x03Q车用开关转换器解决EMI问题2025-07-14
Diodes 公司的AP66x00Q/AP64x03Q 3A DC-DC 降压转换器,设计用于和符合汽车标准的理想二极管 MOSFET 控制器 AP74700Q 搭配使用,确保符合 EMC(电磁兼容性)规范。







上传BOM


