
LT3042 电源纹波抑制 (PSRR) 低压差线性稳压器

Linear Technology 的 LT3042、20 V、200 mA 射频 LDO(LT3042 Power Supply Ripple Rejection (PSRR) Low-Dropout Voltage Linear Regulator) 在 1 MHz 条件下具有超低 (0.8 μV) 噪声和 79 dB 的 PSRR,适合为噪声敏感型应用供电
发布时间:2018-06-14
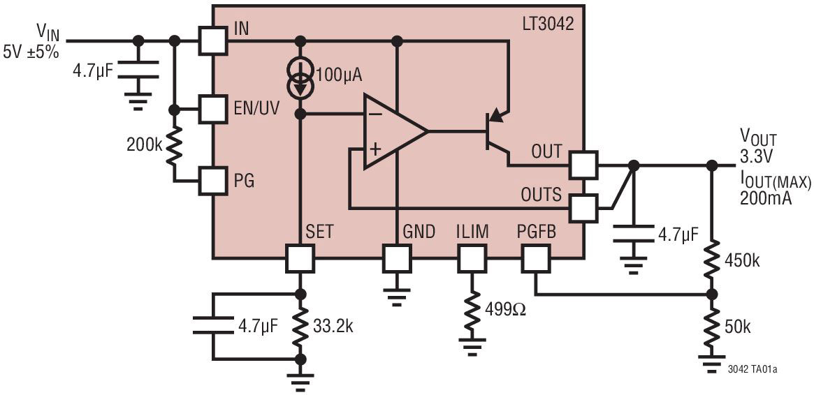
Linear Technology 的 LT3042 是高性能、低压差、线性稳压器,采用 LTC 的超低噪声和超高 PSRR 架构,适合为噪声敏感型射频应用供电。 LT3042 设计用作后接高性能电压缓冲器的高精度电流基准,可以轻松地并联,进一步减少了噪声,提高了输出电流并分散了 PCB 上热量。 该器件在 350 mV 典型压差条件下提供 200 mA 电流。 静态工作电流标称值为 1 mA,关断条件下降至 1 μA 以下。 LT3042 的宽输出电压范围(0 V 至 15 V),同时保持单位增益操作,提供几乎恒定的输出噪声、PSRR、带宽和独立于编程输出电压的负载调节。 此外,该稳压器具有可编程电流限制、快速启动能力以及可编程电源良好引脚来指示输出电压调节。 LT3042 使用最小 4.7 μF 陶瓷输出电容器保持稳定。 内置保护功能包括反向电池保护、反向电流保护、带折返内部限流、以及滞后热关断。 LTC3042 采用热增强 10 引线 MSOP 和 3 mm × 3mm DFN 封装。
典型应用:

LT3042 电源纹波抑制 (PSRR) 低压差线性稳压器特性
超低点噪声:10 kHz 时 2 nV/√Hz
超高 PSRR:1 MHz 时 79 dB
输出电流:200 mA
宽输入电压范围:1.8 V 至 20 V
单个电容器提高了噪声和 PSRR
100 μA SET 引脚电流:±1% 初始精度
单电阻器编程设定输出电压
高带宽:1 MHz
可编程限流
低压差:350 mV
输出电压范围:0 V 至 15 V
可编程电源良好
快速启动功能
精密使能/UVLO
可并联实现更大电流和更低噪声
带折返内部限流
最小输出电容器:4.7 μF 陶瓷
反射电池和反向电流保护
10 引脚 MSOP 和 3 mm × 3 mm DFN 封装
LT3042 电源纹波抑制 (PSRR) 低压差线性稳压器应用
射频电源:PLL、VCO、混频器、LNA
较低噪声仪表
高速/高精度数据转换器
医疗应用:成像和诊断
精密电源
用于开关电源的后置稳压器
| 图片 | 数据手册 | 产品型号 | 产品分类 | 产品描述 | 价格 | 操作 |
|---|---|---|---|---|---|---|
![]() | | DC2246B | 开发板/评估板/验证板-开发板/套件/编程器 | DC2246B | 在线订购 | |
![]() | | DC2429A | 评估和演示板和套件-开发板/套件/编程器 | LT3042 电源 参考设计 评估板 | 在线订购 |
| 图片 | 数据手册 | 产品型号 | 产品分类 | 产品描述 | 价格 | 操作 |
|---|---|---|---|---|---|---|
![]() | | LT3042EMSE#TRPBF | 线性稳压器/LDO-电源管理 | 20V,200mA,超低噪声,超高PSRR射频线性稳压器 | ¥22.37400 | 在线订购 |
![]() | | LT3042EMSE#PBF | 线性稳压器/LDO-电源管理 | ¥75.16800 | 在线订购 | |
![]() | | LT3042IMSE#PBF | 线性稳压器/LDO-电源管理 | IC REG LIN POS ADJ 200MA 10MSOP | ¥39.63600 | 在线订购 |
![]() | | LT3042EDD#PBF | 线性稳压器/LDO-电源管理 | 20V、200mA、超低噪声、超高 PSRR RF 线性稳压器 | ¥34.13350 | 在线订购 |
![]() | | LT3042IDD#PBF | 线性稳压器/LDO-电源管理 | IC REG LIN POS ADJ 200MA 10DFN | 在线订购 | |
![]() | | LT3042HDD#PBF | 线性稳压器/LDO-电源管理 | IC REG LIN POS ADJ 200MA 10DFN | ¥80.02800 | 在线订购 |
应用案例
资讯精测电子与ADI达成深度合作2025-12-16
日前,武汉精测电子集团股份有限公司(以下简称“精测电子”)与全球领先的高性能半导体公司ADI在精测电子新园区举行深度合作签约仪式,双方将携手在显示、半导体及新能源测试三大核心领域展开全方位、深层次的紧密协作,持续进行技术创新与产品迭代,共同为行业提供更高质量、更具竞争力的测试解决方案。
资讯ADI A2B 2.0赋能OEM厂商开启汽车音响技术的新一轮进化2025-12-03
如今,科技意识强的购车者将座舱技术和音响体验列为购买决策的核心考量因素。事实上,许多消费者愿意为获得更好的座舱互联体验而更换汽车品牌。此外,近期一项调查显示,汽车正逐渐成为真正的“第三空间”——即除家庭和工作场所之外的私人休憩之所。半数受访者(25至34岁人群中这一比例高达74%)认为汽车空间与自己最喜爱的咖啡馆或健身房同样重要。
资讯宏泰科技与ADI正式签署合作备忘录2025-12-02
近日,南京宏泰半导体科技股份有限公司(以下简称“宏泰科技”)与全球领先的高性能半导体公司ADI正式签署合作备忘录,双方将在半导体测试与精密信号测量领域展开持续深度合作,共同推动高性能测试系统的技术创新与市场应用落地。
资讯XJ2S1210L:高可靠性旋变数字转换器的理想之选2025-12-01
中科芯界推出的XJ2S1210L,成功打破了国外技术垄断,以卓越的性能与可靠性,成为国产化标杆解决方案。
资讯ADI高效率D\G类放大器的特性和优势2025-11-27
本文将介绍 ADI 可提供高效率和大音量输出的 D/G 类放大器。 什么是 D/G 类放大器? D/G 类放大器是一种 D 类放大器,能够根据信号电平在两个电源电压之间切换。当音量低时,它以低电压运行;当音量高时,以高电压运行,从而优化功耗。这样可以在待机或低音量播放时保持低功耗,同时实现大音量播放。这一特性在智能音箱中需求尤为突出。 图1 D/G 类放大器高性能表现 D/G 类放大器的特性 根据信号电平切换电源电压:此功能可大大降低待机
资讯ADI芯品ADF4382 超低相噪与高同步精度的22GHz频率综合器2025-11-25
在当今的高频通信与精密测量领域,如何在高频率输出、低相位噪声以及系统小型化之间找到完美的平衡,一直是射频工程师面临的重大挑战。ADI最新推出的22GHz频率综合器,正是为了解决这些系统级痛点而生。 ADF4382 是一款高性能、超低抖动、小数 N 分频锁相环 (PLL),带有集成电压控制振荡器 (VCO),非常适合 5G 应用或数据转换器时钟应用的本地振荡器 (LO) 生成。高性能 PLL 具有 −239 dBc/Hz 的品质因数、低 1/f 噪声和整数模式下 625 MHz 的高 PFD 频率,可实
资讯使用ADI Power Studio简化电源系统设计流程2025-11-18
ADI推出综合性产品系列 ADI Power Studio,可实现先进的建模、元件推荐、效率分析与仿真功能。此外,同时还发布了Power Studio产品系列中具备现代化用户体验的两款网页端新工具(ADI Power Studio Planner和ADI Power Studio Designer)的早期版本。
资讯ADI如何构建具身智能的物理基石2025-11-08
具身智能,这一承载着将AI赋予物理实体的宏大愿景,正站在从实验室突破走向产业规模化应用的关键路口。根据Markets and Markets报告,人形机器人市场预计将从2024年的20.3亿美元增长到2029年的132.5亿美元,复合年增长率(CAGR)高达45.5%。2025年,全球人形机器人市场规模预计将突破85亿美元,这一惊人的增长预测背后,是行业对能够执行复杂任务的智能机器人日益增长的需求。







上传BOM






