
KXTJ3-1057 数字式三轴加速计

ROHM Semiconductor 提供用于低功耗应用的 KXTJ3-1057 数字式三轴加速计(KXTJ3-1057 Digital Tri-Axis Accelerometer)
发布时间:2018-06-14
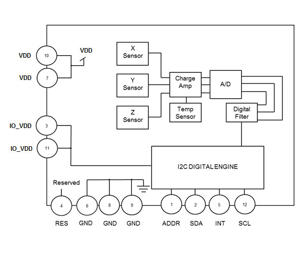
ROHM Semiconductor 的 KXTJ3-1057 是三轴 ±2g、±4g、±8g 或 ±16g 微加工硅晶加速计。这些元件采用 Kionix 的专有等离子微加工工艺技术制造。加速度使这些元件运动,进而产生电容器差是这些元件的加速度检测的基本原理,而且使用共模消除法减少由于工艺变化、温度和环境影响造成的误差。利用玻璃浆料将另一片盖形晶圆与该器件粘结在一起,使这些元件实现晶圆级密封。独立的 ASIC 器件与感测元件封装在一起,用于进行信号调节和数字化通讯。
这种加速计采用 2 mm x 2 mm x 0.9 mm LGA 塑料封装,由 1.71 VDC 至 3.6 VDC 电源供电。稳压器用于在输入电源电压范围内保持内部工作电压恒定。这样就能在输入电压范围内保持稳定的工作特性,而且实现几乎检测不到的比率误差。I2C 数字协议用于与芯片进行通讯,以便对该部件进行配置并监视输出。
价值定位︰
非常适用于成本、功耗和尺寸是关键要求的电池供电型、手持式应用

KXTJ3-1057 数字式三轴加速计特性
体积小:2 mm x 2 mm x 0.9 mm LGA 封装
低电流消耗:待机状态 0.9 µA,低功耗状态 10 µA,高分辨率模式 155 µA
电源电压范围宽:1.71 V 至 3.6 V,且内置稳压器
更宽用户可宽展配置 g 范围:±2 g、±4 g、±8 g 或 ±16 g
I2C 数字通讯接口,高达 3.4 MHz
高分辨率环形功能,阈值可配置,低至 3.9 mg
用户可配置输出数据速率:0.781 Hz 至 1600 Hz
采用改进型设计,几乎消除了回流焊后偏移和灵敏度漂移
高度可配置的中断控制功能
符合 RoHS/REACH 规范
KXTJ3-1057 数字式三轴加速计应用
手机
平板电脑、台式电脑
可穿戴设备
物联网设备
游戏机
玩具
标签
| 图片 | 数据手册 | 产品型号 | 产品分类 | 产品描述 | 价格 | 操作 |
|---|---|---|---|---|---|---|
![]() | | KXTJ3-1057 | 陀螺仪-传感器 | ± 2G / 4G / 8G / 16g 三轴数字加速度计规格 LGA12_2X2MM | ¥5.22530 | 在线订购 |









上传BOM

