
TMC5160 步进电机控制器和驱动器 IC

TRINAMIC 的 TMC5160 (TMC5160 Stepper Motor Controller and Driver IC)是单轴步进电机驱动器 IC,带串行通信接口
发布时间:2018-06-13
TRINAMIC TMC5160 是一款高功率步进电机控制器和驱动器 IC,带串行通信接口。该器件结合了一个灵活的斜坡发生器,用于以先进的步进电机驱动器实现自动目标定位且外置MOSFETs带有StealthChop、SpreadCycle静音防抖动技术,使用外部晶体管可实现高动态、高扭矩驱动、TMC5160控制/驱动智能IC使步进电机性能更强大。
基于 TRINAMIC 的复杂的 spreadCycle™ 和 stealthChop™ 斩波器,该驱动器可确保绝对无噪声工作能力及最高能效和最佳电机扭矩。高集成度、高能效和小巧的外形尺寸实现小型化和可扩展的系统,适用于高性价比解决方案。完整的解决方案最大限度地缩短了学习曲线,同时提供高性能。
TMC5160 步进电机控制器和驱动器 IC特性
TMC5160驱控芯片参数如下:
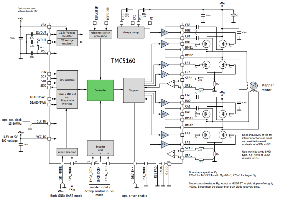
2 相步进电机高达 20 A 线圈电流(外部 MOSFET)
运动控制器,具有 sixPoint™ 斜坡
步进/方向接口具有微步插值 microPlyer™
电压范围 8 VDC 至 60 VDC
SPI 和单线 UART
编码器接口和两个基准开关输入
每个全步长的最高分辨率为 256 个微步
stealthChop2™ 静音工作和平滑运动
用于中等范围共振抑制谐振
spreadCycle 高动态电机控制斩波器
dcStep™ 负载相关速度控制
stallGuard2™ 高精度无传感器电机负载检测
coolStep™ 电流控制,可实现高达 75% 节能
无源制动和续流模式
全保护和诊断
紧凑的尺寸 9 x 9 mm TQFP48/8 mm x 8 mm QFN 封装

优势:
冷步操作:
能源效率-消费下降到75%
电机产生较少的热-提高机械精度
更少的冷却基础设施——用于电机和驱动器
便宜的马达-做这个工作!
步进电机的自动换相方式:
马达-永不失去脚步
应用程序-尽可能快地工作
加速度——尽可能高的自动
能效最高限速
便宜的马达-做这个工作!
正弦波查找表:
微步-极低成本电机的改进
马达运行平稳安静
扭矩减小的机械共振产生改进的扭矩
TMC5160 步进电机控制器和驱动器 IC应用
机器人和工业驱动器
纺织、缝纫机
包装机械
工厂和实验室自动化
高速 3D 打印机
液体处理
医疗
办公自动化
有线闭路电视
自动取款机、现金回收
泵和阀门
其他
TMC5160模块:

3轴闭环步进伺服驱动控制模块支持S曲线加速超静音驱动
1、电气参数:
1.1供电电压11…28V DC或18…53V DC
1.2最大驱动电机电流3A RMS或6.5A RMS
2、机械参数:
2.1电路板尺寸:160mm*100mm*35mm
2.2四个M3的安装孔
3、步进电机参数:
3.1两相步进电机最大电流3A或者6.5A
3.2增量编码器A/B/N(可选),差分或者单端形式(TTL+开漏)
4、接口:
4.1每个轴都有左右限位输入
5、八个数字量输入(兼容24V)
5.1八个数字量输出(开漏 6个100毫安 2个1安培)
5.2一个使能输入
5.3四个模拟量输入(可编程3.3V或10V输入)
5.4RS485,CANopen,USB,RS232,EtherCAT
6、性能:
6.1高效能,低发热
6.2集成各种保护功能
6.3可在运动过程中实时改变目标位置,速度,加速度等参数
6.4实时运动轨迹生成,直线加速或S曲线加速
6.5每轴可以同步运动或者单独运动,可编程控制
6.6最大细分数256细分
6.7可通过外部编码器实现大位置闭环,避免丢步
7、软件:
7.1自带编程软件
7.2支持CANopen,EtherCAT总线控制
7.3支持二次开发
封装:

标准应用电路:

| 图片 | 数据手册 | 产品型号 | 产品分类 | 产品描述 | 价格 | 操作 |
|---|---|---|---|---|---|---|
![]() | | TMC5160-TA | 电机驱动器及控制器-接口及驱动芯片 | IC-MTR-DRVR双极8-60V 48TQFP | ¥41.97499 | 在线订购 |
![]() | | TMC5160-BOB | 开发板/评估板/验证板-开发板/套件/编程器 | BREAKOUTBOARDWITHTMC5160 | ¥128.13997 | 在线订购 |
![]() | | TMC5160-EVAL | 评估和演示板和套件-开发板/套件/编程器 | TMC5160-EVAL | ¥823.09510 | 在线订购 |
![]() | | TMC5160-EVAL-KIT | 开发板/评估板/验证板-开发板/套件/编程器 | 开发板/评估板/验证板 | ¥1160.03902 | 在线订购 |









上传BOM




