
采用小型 QFN 封装的 MPM3811 电源模块

MPS 采用小型 2 mm x 2 mm x 1.6 mm QFN 封装的 MPM3811 2.3 V 至 5.5 V 输入、1 A 电源模块(MPM3811 Power Module in a Small QFN Package)
发布时间:2018-11-26
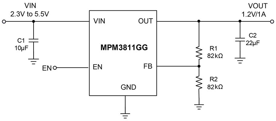
Monolithic Power Systems 的 MPM3811 是一款单芯片、降压式开关模式转换器,带有内置、内部功率 MOSFET 和电感器。MPM3811 具有出色的负载和线路调节能力,在 2.3 V 至 5.5 V 输入电压下实现了 1 A 连续输出电流。MPM3811 是各种应用的理想选择,包括高性能 DSP、无线电源、便携式和移动设备以及其他低功耗系统。输出电压可以调低至 0.6 V。只需输入电容器、输出电容器和反馈 (FB) 电阻即可完成设计。
恒定导通时间 (COT) 控制方案实现了快速瞬态响应、高轻载效率和简便环路稳定性。全面保护功能包括逐周期电流限制和热关断。MPM3811 需要最少数量的现成标准外部元器件,并采用超小型 QFN-10 (2 mm x 2 mm x 1.6 mm) 封装。

采用小型 QFN 封装的 MPM3811 电源模块特性
峰值能效高达 91%
2.3 V 至 5.5 V 宽工作输入电压范围
输出电压低至 0.6 V
100% 压差占空比
1 A 输出电流
2.2 MHz 频率
用于电源定序的 EN
逐周期过流保护 (OCP)
0.5 ms 内部软启动 (SS) 时间
输出放电
带打嗝模式的短路保护
热关断
使用低 ESR 陶瓷电容器稳定
采用 QFN10 (2 mm x 2 mm x 1.6 mm) 封装
采用小型 QFN 封装的 MPM3811 电源模块应用
光学模块
物联网设备
手持打印机/POS
便携式设备
低电压 I/O 系统电源
空间受限型系统
| 图片 | 数据手册 | 产品型号 | 产品分类 | 产品描述 | 价格 | 操作 |
|---|---|---|---|---|---|---|
![]() | | MPM3811GG-P | 隔离电源模块-电源管理 | 非隔离 PoL 模块 直流转换器 1 输出 0.6 ~ 1.2V 1A 2.3V - 5.5V 输入 | 在线订购 | |
![]() | | MPM3811GG-Z | DC-DC电源模块-电源管理 | 非隔离 PoL 模块 直流转换器 1 输出 0.6 ~ 1.2V 1A 2.3V - 5.5V 输入 | ¥7.24918 | 在线订购 |
应用案例
资讯MPS助力高校共建工科教学新课程2025-12-18
2025年金秋,由MPS与上海交通大学联合开发的《电力电子在储能系统中的应用》课程,荣获“第二届全国高校电气类专业课程实验教学案例设计竞赛”一等奖。这项荣誉不仅是对课程质量的高度肯定,也是MPS将前沿产业方案融入高校教学的成功典范。
资讯MPS0117V2NBC与MPS0117V2NC:高效十六分之一砖隔离式DC/DC转换器的全面解析2025-12-16
MPS0117V2NBC与MPS0117V2NC:高效十六分之一砖隔离式DC/DC转换器的全面解析 在电子设备的电源设计中,DC/DC转换器扮演着至关重要的角色。今天我们要深入探讨的是Murata Power Solutions推出的MPS0117V2NBC和MPS0117V2NC这两款十六分之一砖隔离式DC/DC转换器,它们在诸多方面展现出了卓越的性能。 文件下载: Murata Power Solutions MPS隔离式DC-DC转换器.pdf 产品概述 MPS0117V2NBC是一款高效的200W隔离式DC/DC转换器,能够将36 - 75Vdc的输入转换为隔离稳压的12Vdc/17Amp输出。它采用行业标
资讯MPS0117V2NBC与MPS0117V2NC:高效十六分之一砖隔离式DC/DC转换器的全面解析2025-12-16
MPS0117V2NBC与MPS0117V2NC:高效十六分之一砖隔离式DC/DC转换器的全面解析 在电子设备的电源设计中,DC/DC转换器扮演着至关重要的角色。今天我们要深入探讨的是Murata Power Solutions推出的MPS0117V2NBC和MPS0117V2NC这两款十六分之一砖隔离式DC/DC转换器,它们在诸多方面展现出了卓越的性能。 文件下载: Murata Power Solutions MPS隔离式DC-DC转换器.pdf 产品概述 MPS0117V2NBC是一款高效的200W隔离式DC/DC转换器,能够将36 - 75Vdc的输入转换为隔离稳压的12Vdc/17Amp输出。它采用行业标
资讯MPS0117V2NBC与MPS0117V2NC:高效十六分之一砖隔离式DC/DC转换器的全面解析2025-12-16
MPS0117V2NBC与MPS0117V2NC:高效十六分之一砖隔离式DC/DC转换器的全面解析 在电子设备的电源设计中,DC/DC转换器扮演着至关重要的角色。今天我们要深入探讨的是Murata Power Solutions推出的MPS0117V2NBC和MPS0117V2NC这两款十六分之一砖隔离式DC/DC转换器,它们在诸多方面展现出了卓越的性能。 文件下载: Murata Power Solutions MPS隔离式DC-DC转换器.pdf 产品概述 MPS0117V2NBC是一款高效的200W隔离式DC/DC转换器,能够将36 - 75Vdc的输入转换为隔离稳压的12Vdc/17Amp输出。它采用行业标
资讯MPS新一代AI电源方案破解能源与散热困局2025-12-02
随着 AI 处理器功率需求飙升,传统横向供电模式因 PDN 功耗与瞬态性能瓶颈渐显乏力。
资讯适用于Mobileye EyeQ6L平台的MPSafe电源子系统解决方案参考设计2025-11-24
EVME6L_00A 是 MPS 提供的一种 MPSafeTM 电源子系统解决方案,它能够为 Mobileye EyeQ6L 平台供电以实现汽车自动驾驶功能。该解决方案凭借高效率的开关稳压器而具备出色的电力传输能力。
资讯MPS角度传感器MAQ600A在灵巧手和机器人中的应用优势2025-11-14
随着人工智能技术发展,从踢不倒的机器狗,到春晚跳舞机器人,具身智能正频繁出现在公众视野。人形机器人、机器狗和灵巧手,作为具身智能的载体,未来将广泛走入工厂与日常生活,而它们精准的姿态控制、灵活的动作执行,离不开对自身运动状态的精准感知。
资讯MPS Buck芯片推动车载ADAS系统技术创新2025-11-07
MPS MP4423GQ 是一款通过 AEC-Q100 认证的车规级同步降压转换器,支持 4.5V–36V 宽输入电压和 3A 持续输出电流,其集成高效同步整流架构与完备保护功能,采用紧凑 QFN 封装。







上传BOM

