
LTC4417 电源优先级排序器

Linear Technology 推出 PowerPath™ 优先级控制器(LTC4417 Supply Prioritizer)
发布时间:2018-07-11
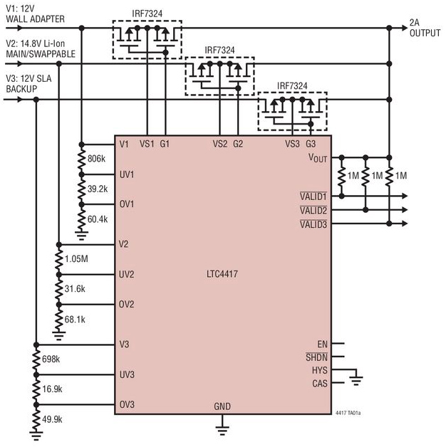
Linear Technology 的 LTC4417 根据优先级将三个有效电源中的某一个连接到公共输出。优先级通过引脚分配来确定,V1 的优先级最高,V3 最低。当某个电源的电压连续处于其过压 (OV) 或欠压 (UV) 窗口之内的时间至少为 256 ms 时,该电源被定义为“有效”。假如优先级最高的有效输入不在 OV/UV 窗口之内,则立即断开该通道,并把优先级次高的有效输入连接至公共输出。可以将两个或更多的 LTC4417 级联,实现三个以上输入之间的切换
LTC4417 内置了快速非重叠开关电路,以防止发生反向和交叉导通,同时将输出电压降降至最低。栅极驱动器包括一个 6V 箝位以保护外部 MOSFET。所用受控型输出斜坡特性可最大限度减小启动浪涌电流。当输入电源处于其 OV/UV 窗口之内的持续时间达到 256ms 时,漏极开路 VALID 输出发出指示信号。


LTC4417 电源优先级排序器特性
从三个输入中选择最高优先级电源
阻止反向和交叉导通电流
宽工作电压范围:2.5 V 至 36 V
-42 V 防止电池反向连接保护
快速切换能力将输出压降降至最低
28 µA 低工作电流
P 沟道 MOSFET 栅极保护钳位
小于 V OUT 时电源电流消耗 < 1μA
1.5% 输入 OV/UV 保护
可调 OV/UV 滞后
可级联更多输入电源
24 引线、窄 SSOP 和 4 mm x 4 mm QFN 封装
LTC4417 电源优先级排序器应用
工业级手持式仪表
高利用率服务器
备用电池系统
服务器和电脑外设
| 图片 | 数据手册 | 产品型号 | 产品分类 | 产品描述 | 价格 | 操作 |
|---|---|---|---|---|---|---|
![]() | | LTC4417CUF#PBF | OR控制器-电源管理 | IC OR CTRLR SRC SELECT 24QFN | 在线订购 | |
![]() | | LTC4417IGN#PBF | OR控制器-电源管理 | OR 控制器 源极选择器开关 P 通道 3:1 24-SSOP | 在线订购 | |
![]() | | LTC4417HUF#PBF | OR控制器-电源管理 | IC OR CTRLR SRC SELECT 24QFN | ¥81.75600 | 在线订购 |
![]() | | LTC4417CGN#PBF | OR控制器-电源管理 | OR 控制器 源极选择器开关 P 通道 3:1 24-SSOP | ¥82.94400 | 在线订购 |
![]() | | LTC4417HGN#PBF | OR控制器-电源管理 | IC OR CTRLR SRC SELECT 24SSOP | ¥101.95200 | 在线订购 |
![]() | | LTC4417IUF#PBF | OR控制器-电源管理 | LTC4417IUF#PBF | 在线订购 |
| 图片 | 数据手册 | 产品型号 | 产品分类 | 产品描述 | 价格 | 操作 |
|---|---|---|---|---|---|---|
![]() | | DC1717A | 评估和演示板和套件-开发板/套件/编程器 | BOARD DEMO LTC4417 | 在线订购 |









上传BOM





