华秋PCB
高可靠多层板制造商
华秋SMT
高可靠一站式PCBA智造商
华秋商城
自营现货电子元器件商城
PCB Layout
高多层、高密度产品设计
钢网制造
专注高品质钢网制造
BOM配单
专业的一站式采购解决方案
华秋认证
认证检测无可置疑
华秋DFM
一键分析设计隐患
KiCad 华秋发行版 ^9.0
集成AI Copilot
EDA在线查看器
SCH、PCB、BOM、3D模型
DataSheet资料查询
最全面的元器件搜索引擎
开源硬件平台
最新的、经过验证的开源硬件项目
在线客服
GD32F103C8T6STM32F103C8T6LIS2DH12TRSTM32F407VET6W25Q128JVSIQ
搜索记录
热门推荐
精确搜索
Araiable Languages
英文
中文
传感器和变送器(废弃)(595)
光学检测设备(19)
光电元件(废弃)(402)
分立半导体产品(废弃)(436)
创客和教育产品(21)
原型开发产品(21)
变压器及互感器(64)
套件(60)
存储模块(38)
射频/IF和RFID(666)
嵌入式电脑(32)
工业控制(9)
工具(废弃)(53)
开关及按键(216)
开发板/套件/编程器(787)
晶体/振荡器/谐振器(29)
测试/计量(62)
滤波器与磁珠(23)
焊接和维修产品(33)
电位器(可调电阻)(废弃)(15)
电容器(384)
电感器(181)
电机产品(43)
电池及配件(70)
电源模组(310)
电缆组件(151)
电线电缆(重复)(62)
电线电缆管理(废弃)(61)
电路保护(废弃)(313)
电阻器(155)
盒子/外壳/机架(6)
紧固件/五金类/辅料(21)
磁性元件(4)
线路保护(11)
继电器(126)
网络解决方案(58)
胶带和粘合剂(27)
计算机配件(2)
连接器(重复)(932)
隔离器(104)
集成电路(287)
静电控制/ESD/无尘室产品(1)
音频产品(废弃)(94)
风扇/热管理(50)
其他产品(186)
存储器(1)
时钟管理(1)
晶体管(2)
可控硅及IGBT(1)
接口及驱动芯片(9)
综合类目(2)
MPS(24)
3M(70)
Ametherm(1)
AMS(59)
Anaren(5)
Antenova(1)
Arduino(6)
BERGQUIST(6)
BlueCreation(1)
Bridgelux(10)
Bulgin(7)
C&K(21)
Cantherm(2)
CEL(9)
Chemtronics(1)
Cicoil(7)
CONEC(7)
Crouzet(17)
Desco(7)
Dialight(11)
Displaytech(8)
E-Switch(47)
E-T-A(5)
Eaton(43)
Electroswitch(2)
EnOcean(3)
EPC(30)
Epson(26)
Ferroxcube(2)
FLIR(1)
HARTING(16)
Intel(9)
Intersil(35)
InvenSense(3)
IPDiA(5)
IXYS Corporation(33)
KEMET(65)
Kingbright(12)
Knowles(17)
LEMO(1)
Loctite(2)
LUMILEDS(25)
Luxo(2)
MACRONIX(1)
mikroElektronika(43)
Nichicon(11)
Ohmite(37)
PanaVise(1)
PRECI-DIP(1)
Qualcomm(5)
Qualtek(23)
RIEDON(18)
RUBYCON(34)
Sanken(8)
Serpac(1)
SiTime(41)
Silicon Labs(18)
SUNLED(1)
Susumu(4)
Swissbit(17)
Tamura(2)
Techflex(6)
UDOO(4)
Wakefield-Vette(20)
WEIDMULLER(17)
Wiha(5)
WIZnet(1)
Xeltek(1)
XMOS(10)
Yageo(17)
Zilog(3)
Lite-On(1)
ROHM(73)
TE Connectivity Measurement Specialties(22)
Honeywell(27)
Omron(56)
Cynergy 3(12)
Sensirion AG(21)
Panasonic Industrial Automation Sales(13)
Adafruit(15)
Omron Automation and Safety(40)
Littelfuse(166)
Luna Optoelectronics(3)
LEM USA Inc.(2)
Maxim(233)
Amphenol Advanced Sensors(31)
ST(250)
NXP(121)
Taitien(12)
Melexis Technologies NV(25)
Phoenix(70)
CR Magnetics (3)
Grayhill Inc.(4)
TE(32)
C-TON.(2)
SparkFun Electronics(17)
Digi International(47)
Red Lion Controls(4)
NDK America, Inc.(4)
Infineon(62)
Broadcom(35)
Parallax Inc.(1)
Molex(246)
Alpha Wire(27)
TE Connectivity Raychem Cable Protection(2)
AKM(23)
ZF Electronics(2)
Bourns(101)
NVE Corp/Sensor Products(1)
ADI(580)
Allegro MicroSystems, LLC(77)
DIODES(239)
Thomas Research Products(4)
Everlight (3)
Toshiba(66)
Marktech Optoelectronics(10)
TI(915)
Finisar Corporation(4)
Excelitas Technologies(9)
RF Digital(2)
ON(138)
CYP(74)
TDK(113)
Lumex Opto/Components Inc.(15)
QT (6)
Stanley (7)
AVX(65)
EPCOS/TDK(62)
SSI (2)
All Sensors (2)
Bosch(20)
4D Systems(2)
Microchip(241)
DLP Design Inc.(1)
DFRobot(2)
Steute Wireless(4)
Curtis Industries(4)
MEDER(5)
Coto Technology(6)
Schurter Inc.(31)
Abracon(35)
Taiyo(22)
Heraeus Sensor Technology USA(2)
Linear(37)
Nuvoton Technology Corporation of America(1)
IDT(38)
Digilent, Inc.(59)
CUI(85)
Magnasphere Corp(3)
Torex(10)
TE Connectivity ALCOSWITCH Switches(7)
PUI Audio(26)
Xsens(2)
NKK(29)
TE Connectivity Aerospace, Defense and Marine(6)
B+B SmartWorx(3)
Aven Tools (19)
Panduit(36)
ASSMANN(13)
Chip Quik(17)
Essentra(21)
Keystone(38)
Bivar(16)
VCC(4)
APEM(31)
LEDdynamics(2)
Cree(31)
Aavid Thermalloy(10)
t-Global(27)
ATS(14)
SunonFans(12)
ebm-papst(18)
Opulent Americas(7)
Wurth(127)
Seoul Semiconductor(12)
Samsung(15)
Luminus(7)
Inspired LED(5)
Khatod North America LLC(3)
Amphenol FCI(22)
Bel (34)
ATOP Technologies(4)
Advantech (4)
Amphenol Commercial (28)
Tripp Lite(7)
Hirose.(119)
Kyocera(2)
Newhaven (14)
Electronic Assembly GmbH(4)
Matrix Orbital(4)
Storm Interface(5)
Advanced Linear Devices(2)
Amulet (3)
FTDI(18)
Precision Design Associates, Inc(1)
Future Designs Inc.(3)
TPK America LLC(1)
Micron Technology Inc.(2)
Mallory (8)
Switchcraft (9)
Hammond Manufacturing(21)
Carling(5)
Skyworks(19)
MCC(28)
Nexperia(44)
Comchip.(21)
GeneSiC Semiconductor(7)
Central.(1)
Power Integrations(21)
GPTG(2)
SMC Diode Solutions(11)
Powerex Inc.(3)
Crydom(1)
Renesas(26)
Souriau Connection Technology(7)
AOS(12)
Transphorm(5)
Vicor(9)
Ampleon (6)
Microwave(2)
Digi-Key Electronics(2)
SolidRun(2)
Terasic(18)
Raspberry Pi(2)
Twin Industries(4)
SCS(25)
MG Chemicals(3)
Bud (25)
ACL(1)
B&K (13)
Capital(6)
Echelon Corporation(4)
Pulse Electronics Corporation(29)
Wurth Electronics Midcom(10)
Sumida(3)
Triad Magnetics(12)
Amgis(2)
Acme Electric/Amveco/Actown(2)
Signal Transformer(15)
TE Connectivity Potter-Brumfield Relays(17)
API (2)
Stewart Connector(15)
Schaffner EMC Inc.(15)
Holt (4)
Staco(2)
APM (4)
Johanson Technology Inc.(3)
Crystek(12)
Pomona Electronics(6)
Laird Technologies EMI(5)
Harwin Inc.(16)
ECS Inc.(43)
Laird-Signal Integrity Products(2)
HellermannTyton(13)
Johanson Dielectrics Inc.(1)
CDE(15)
SEI(18)
CTS(17)
American Electrical(7)
Amphenol Sine Systems(10)
TDK-Lambda(16)
NorComp(8)
Cinch(13)
Winchester(5)
Amphenol RF Division(21)
Nordic Semiconductor ASA(11)
Soberton Inc.(15)
ATP Electronics(8)
Amphenol PCD(7)
Xilinx(8)
Cinch.(1)
Walsin(5)
Linx Technologies(7)
Proant AB(1)
Ethertronics(5)
Laird Technologies IAS(4)
Inventek Systems(5)
Taoglas Limited(11)
Multi-Tech Systems(6)
Synapse(1)
ConnectBlue(2)
IMP(1)
Sierra Wireless(4)
NimbeLink(1)
Dialog Semiconductor GmbH(4)
Decawave(3)
Lime Microsystems(3)
Cirrus Logic(9)
Avery Dennison(1)
Logic PD(2)
Cinch..(1)
ATC(7)
Amphenol SV Microwave(15)
VersaLogic(24)
Trenz Electronic(1)
NetBurner(1)
General Cable/Carol Brand(7)
Delta(16)
Klein Tools(10)
ATG(4)
Aries(2)
Mueller Electric(4)
Samtec(2)
EDAC(6)
Amphenol Aerospace(2)
JAE Electronics(29)
Swanstrom(3)
CNC(21)
Cinch...(2)
JST(12)
Sullins Connector(8)
Cinch Connectivity Solutions(6)
Cinch Connectivity Solutions Vitelec(1)
Flambeau(1)
Sprague-Goodman(9)
MEC(3)
Cherry.(4)
Logical Systems(1)
Lattice(19)
Segger Microcontroller Systems(2)
IAR Systems Software Inc.(1)
Equinox Technologies(2)
BNS (1)
Innovasic Semiconductor(2)
Connor(19)
Apex .(13)
NVE Corp/Isolation Products(1)
Touchstone Semiconductor(16)
Richtek(6)
GE Critical Power(19)
XP Power(94)
Artesyn Embedded Technologies (36)
enmo Technologies(2)
Bel Power Solutions(36)
Citizen Finedevice(1)
TXC CORPORATION(7)
Fox Electronics(3)
Mill-Max(42)
Elna America(1)
TE Connectivity Corcom Filters(8)
Laird Technologies Engineered Thermal Solutions(29)
Mechatronics Fan Group(16)
Winbond(3)
Teledyne LeCroy(9)
MPD(40)
Recom Power(58)
Kester Solder(7)
Kilo International(1)
Maxwell Technologies Inc.(1)
Illinois Capacitor(4)
UCC(43)
Knowles Voltronics(3)
Inventus Power(4)
NMB Technologies Corporation(11)
FDK America, Inc.(6)
B&B (1)
Energizer Battery Company(2)
Phihong USA(17)
SL Power ( Ault / Condor )(21)
Excelsys Technologies Ltd(7)
Fremont Micro Devices USA(3)
Tensility(7)
Amphenol LTW(8)
Cinch Connectivity Solutions Semflex(1)
Parlex USA LLC(1)
Belden(6)
Molex - Temp Flex(1)
Bopla(2)
Rose Enclosures(7)
Caddock (1)
schroff.pentair.(5)
Davies Molding, LLC(1)
Orion Fans(24)
Aearo Technologies, LLC(10)
Option NV(1)
Link Labs Inc.(2)
CH(1)
TRP Connector B.V.(2)
Adesto Technologies(5)
Alliance Memory(13)
Peerless by Tymphany(15)
Comair(4)
Marlow Industries, Inc.(8)
Kennedy(1)
Lumberg Automation(1)
Formerica Optoelectronics Inc.(5)
Azoteq (5)
SGX Sensortech(3)
RFMD(2)
Laird Technologies(1)
Amphenol(8)
Amphenol Spectra-Strip(6)
TE(5)
Panasonic(97)
Murata(111)
YXC(3)
ALPS(8)
International Rectifier(1)
TRACO(8)
MeanWell(14)
FLUKE(福禄克)(1)
BeagleBoard(1)
WOLFSPEED(17)
UNITED(2)
U.S..(2)
TT(7)
Trinamic (33)
ThingMagic(4)
Telit(1)
Taiwan Semiconductor.(4)
Syfer(7)
Silego(1)
SICK(1)
SHARP(2)
SEMTECH(22)
SEEED(1)
Sanyo(14)
Rosenberger(5)
RAFI(16)
RAF(8)
RADIOCRAFTS(1)
Radial(1)
PIHER(2)
OSRAM(7)
OK Industries(4)
ODU(5)
Nuventix(2)
NIDEC(59)
Microsemi(19)
METZ CONNECT(4)
MAXLINEAR(24)
KAGA(6)
JAUCH(4)
ITT(17)
Iqd(6)
INOLUX(2)
IDEC(8)
IDEAL(2)
Hirschmann(4)
ERP(8)
Energy(1)
EAO(7)
COMUS(4)
CALIFIA(3)
Carlo Gavazzi(6)
Apacer(1)
AMERICAN(1)
AMBER(4)
ALTECH(11)
ALLIANCE(1)
TE Connectivity AMP Connectors(8)
Vishay(155)
Pulse Electronics Network(3)
Initial State(2)
Io Audio Technologies(1)
Laird Thermal Materials(1)
Makeblock(2)
WIMA(13)
HMS(3)
Henrich Electronics Corporation(3)
Parker Chomerics(25)
CellWise(13)
Resistor.Today(2)
SCTF(3)
XKB(2)
MK(1)
YJYCOIN(1)
YXC(扬兴科技)(1)
MOT(2)
选择过滤条件清除所有过滤条件
MP2632B 3 A 电池充电器
MPS
Publish Date:2018-11-26
MPQ4481 36 V、3 A 降压转换器
带集成电感器的 MPM3632C 降压转换器
采用小型 QFN 封装的 MPM3811 电源模块
MP2456 降压转换器
MP2384 降压转换器
MP5092负载开关
Publish Date:2018-06-14
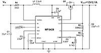
MP3428同步升压转换器
MPM3620A同步降压转换器
MPM3606A同步降压转换器
MPM3610A Synchronous Step-Down Converter
MP7752 无电感器 D 类音频放大器
MP8004 DC-DC 转换器
MP8865 同步降压转换器
MP1474S 同步降压转换器
MP1475S 同步降压转换器
MP100L 离线式无电感器稳压器
MP6532 三相无刷直流电机前级驱动器
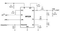
MP2229 同步降压转换器
MPM3686 降压电源模块